Chapter 7 - Schematics, Layouts, Wiring Diagrams

Schematic CPU Board, 6 sheets

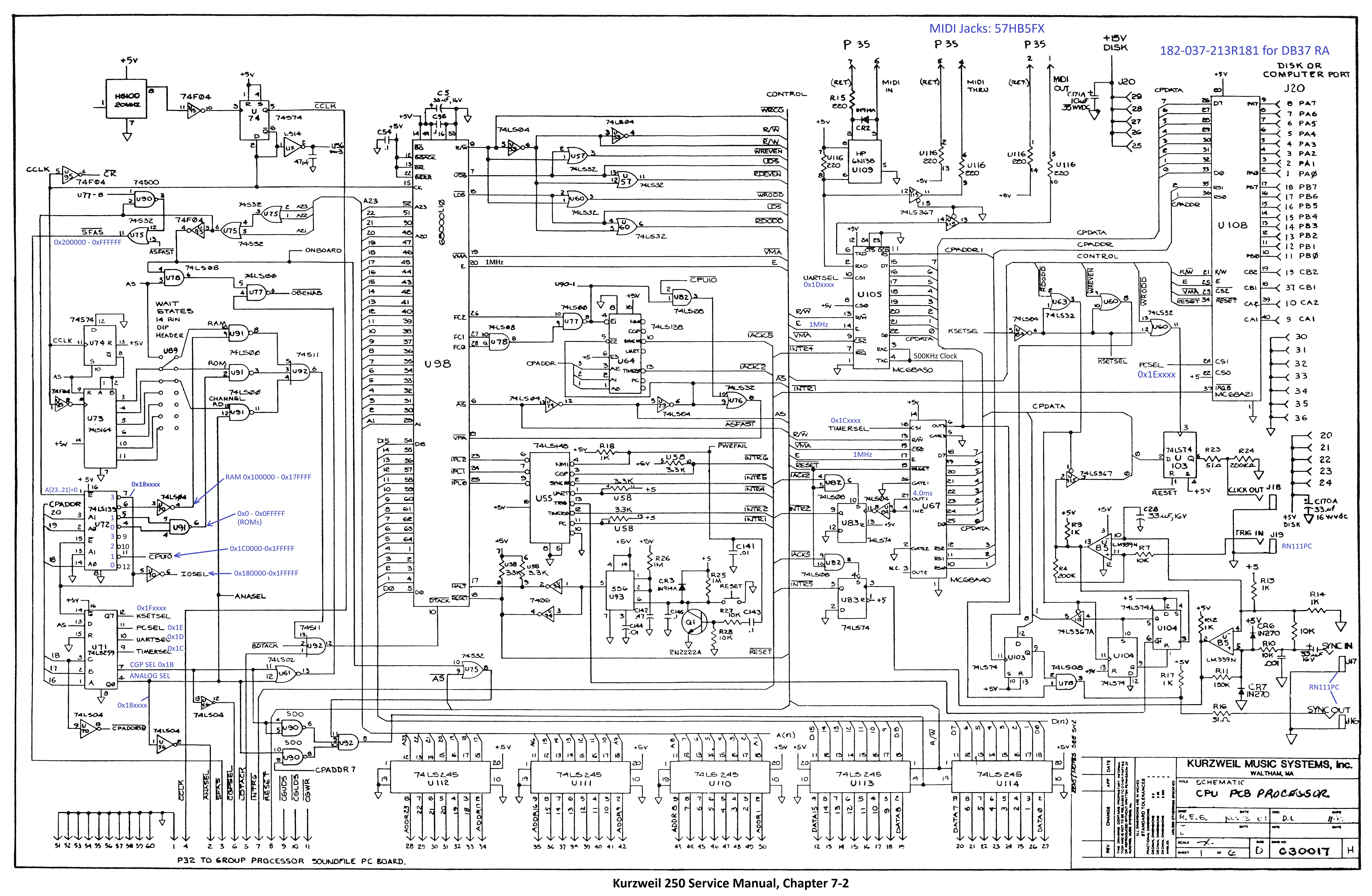
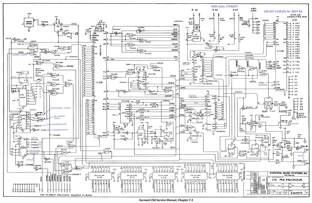
Schematic CPU Board, 6 sheets - Sheet 1
Page 7-2 (Sheet 1 of 6)
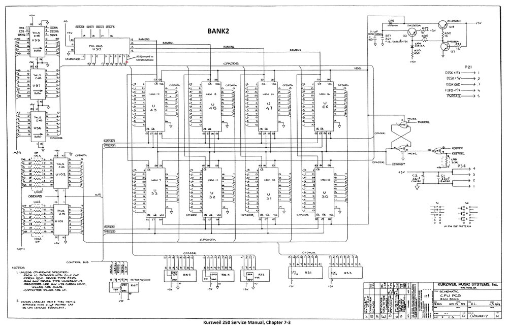
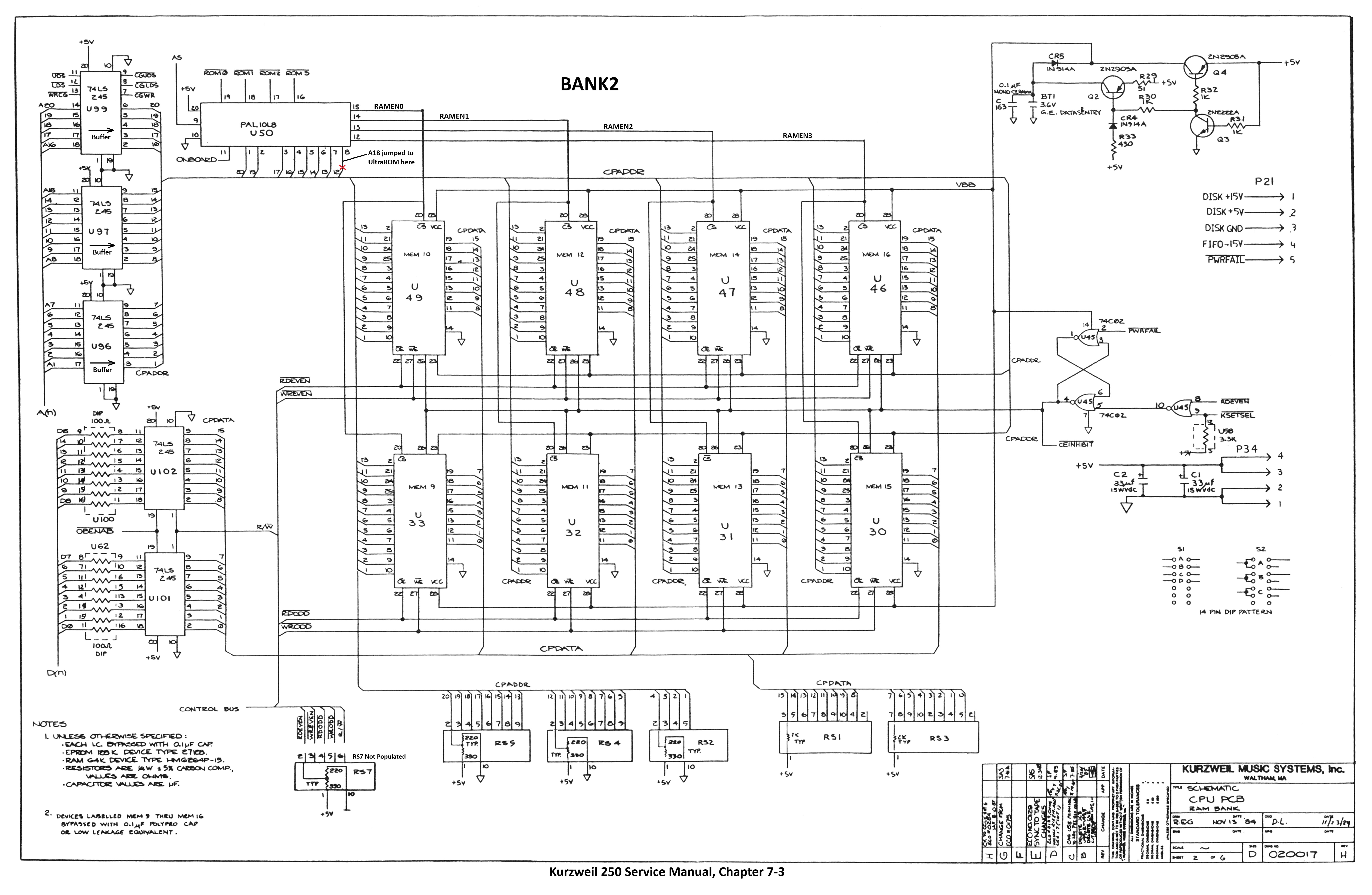
Schematic CPU Board, 6 sheets - Sheet 2
Page 7-3 (Sheet 2 of 6)
Schematic CPU Board, 6 sheets - Sheet 3
Page 7-4 (Sheet 3 of 6)
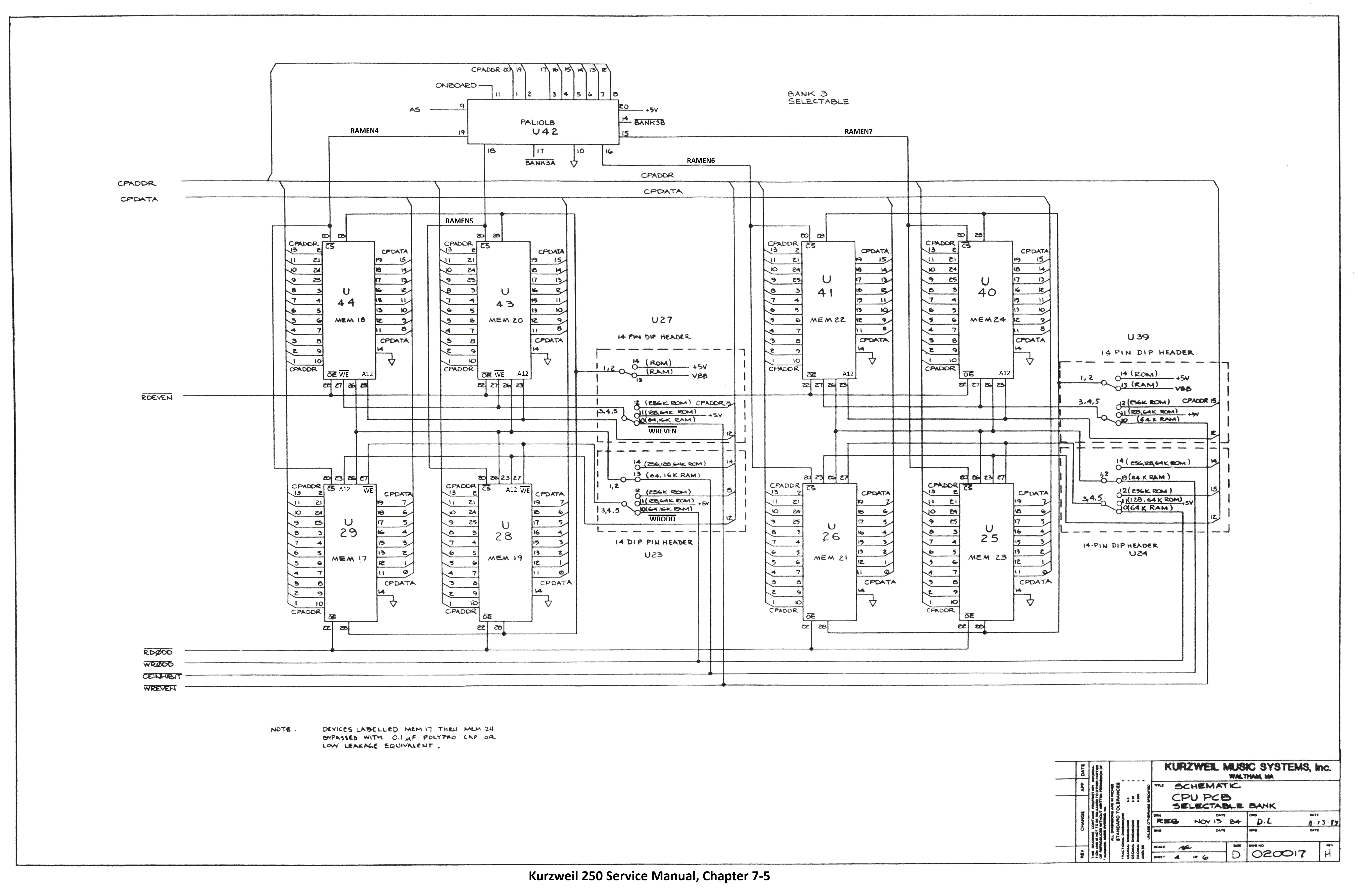
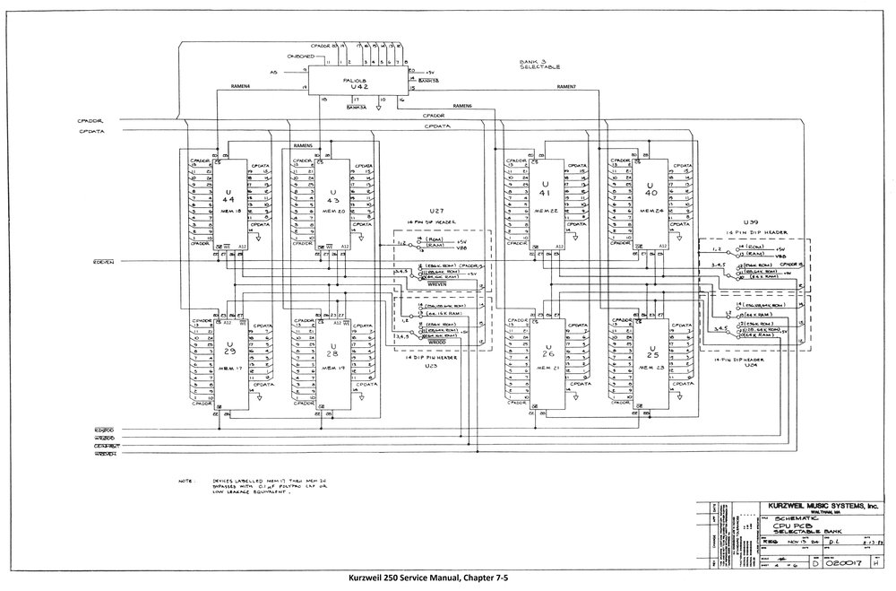
Schematic CPU Board, 6 sheets - Sheet 4
Page 7-5 (Sheet 4 of 6)
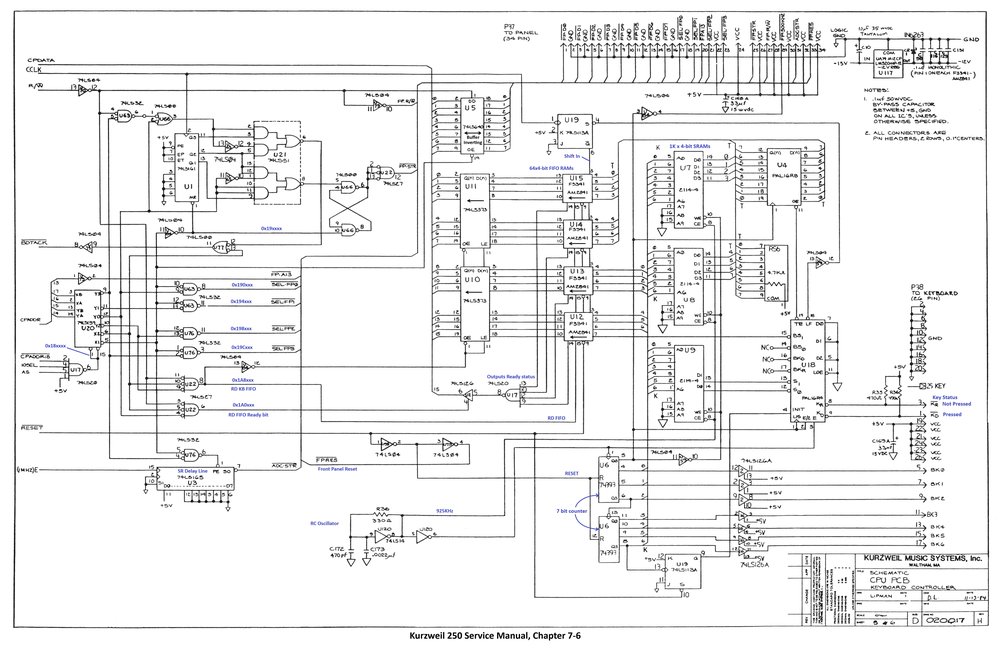
Schematic CPU Board, 6 sheets - Sheet 5
Page 7-6 (Sheet 5 of 6)
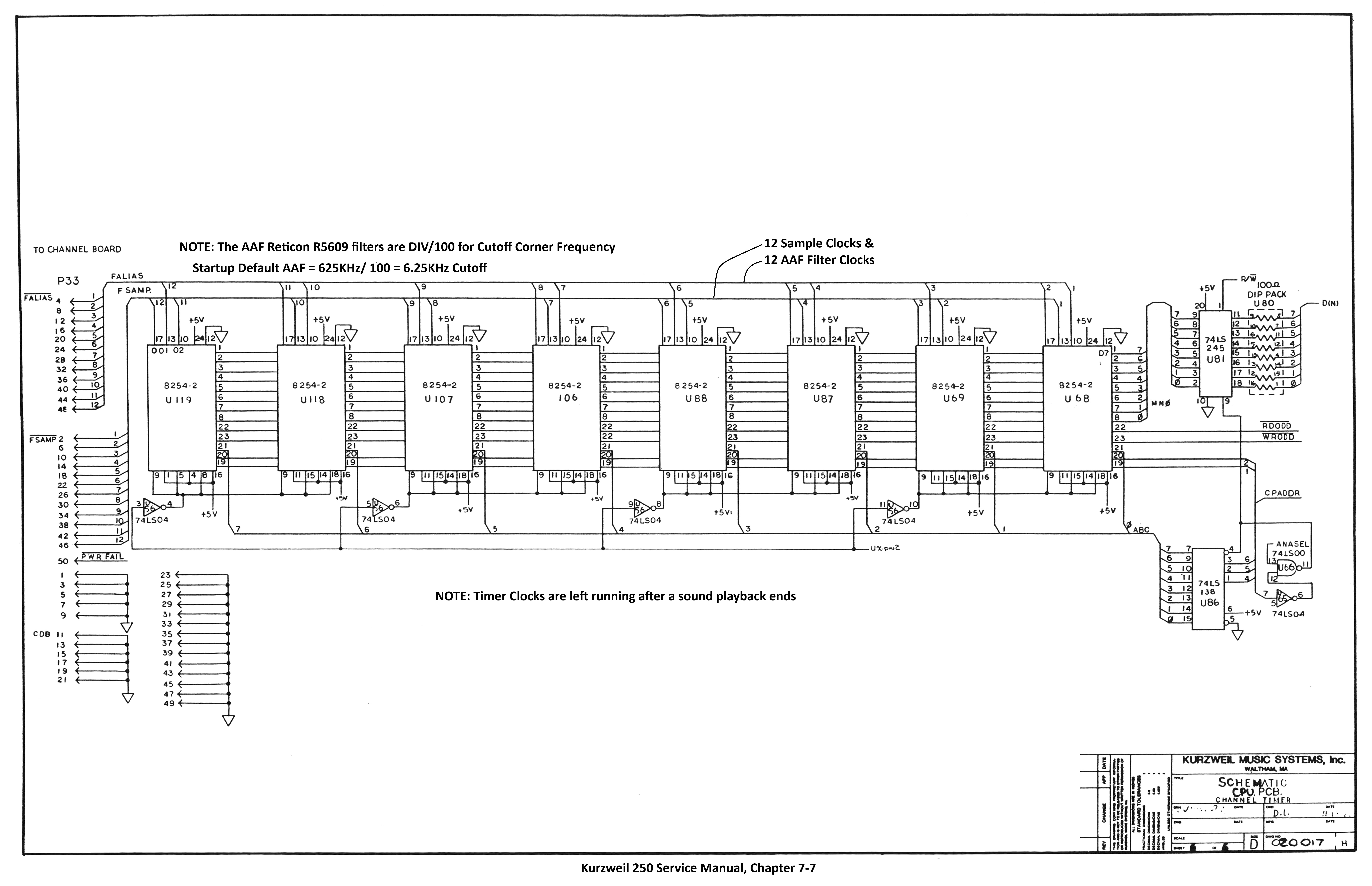
Schematic CPU Board, 6 sheets - Sheet 6
Page 7-7 (Sheet 6 of 6)

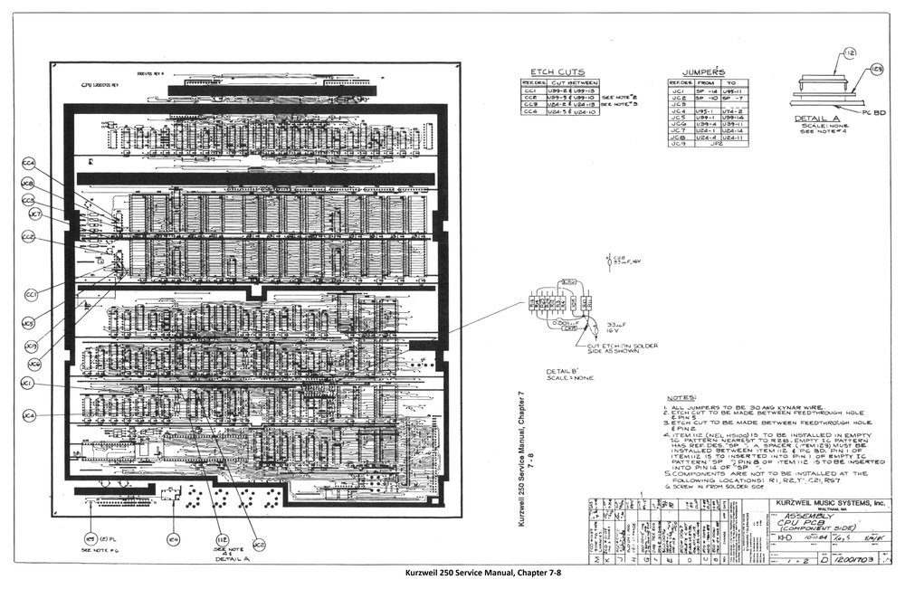
Assembly CPU Board (12001703), 1 of 2 Component Side

Assembly CPU Board (12001703), 1 of 2 Component Side - Sheet 1
Page 7-8

Assembly CPU Board (12001703), 2 of 2 Solder Side

Assembly CPU Board (12001703), 2 of 2 Solder Side - Sheet 1
Page 7-9

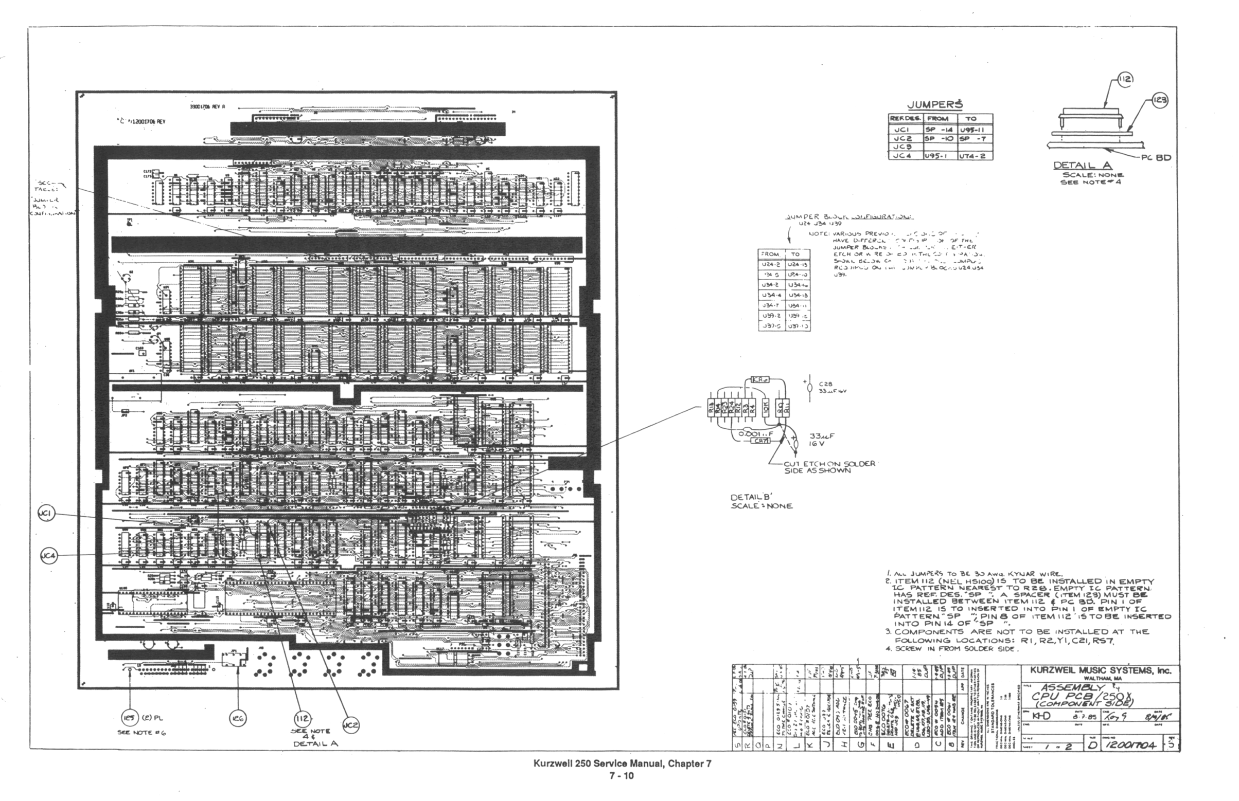
Assembly CPU Board (12001704), 1 of 2 Component Side

Assembly CPU Board (12001704), 1 of 2 Component Side - Sheet 1
Page 7-10

Assembly CPU Board (12001704), 2 of 2 Solder Side

Assembly CPU Board (12001704), 2 of 2 Solder Side - Sheet 1
Page 7-11

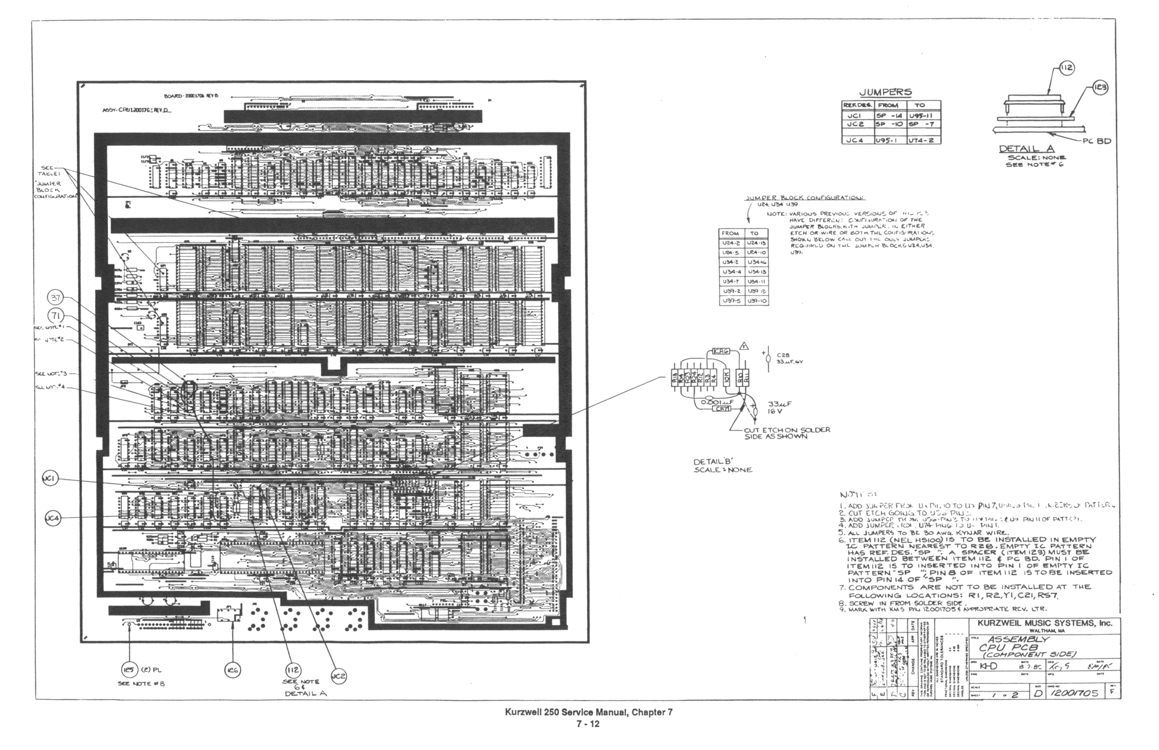
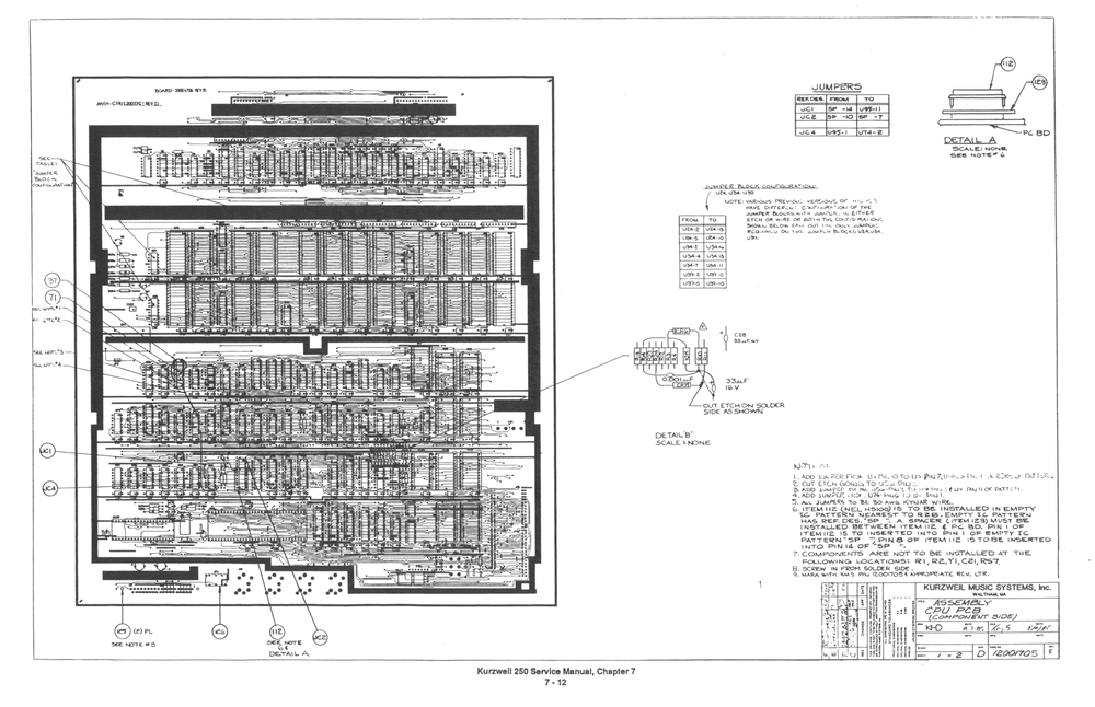
Assembly CPU Board (12001705), 1 of 2 Component Side

Assembly CPU Board (12001705), 1 of 2 Component Side - Sheet 1
Page 7-12

Assembly CPU Board (12001705), 2 of 2 Solder Side1

Assembly CPU Board (12001705), 2 of 2 Solder Side1 - Sheet 1
Page 7-13

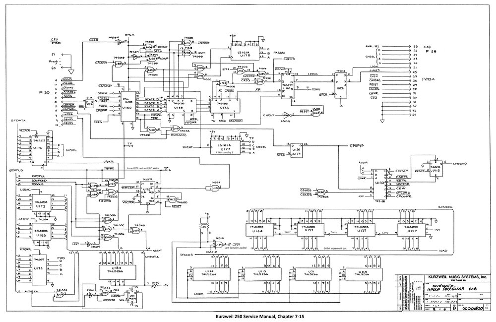
Schematic CGP Board, 4 sheets

Schematic CGP Board, 4 sheets - Sheet 1
Page 7-14 (Sheet 1 of 4)
Schematic CGP Board, 4 sheets - Sheet 2
Page 7-15 (Sheet 2 of 4)
Schematic CGP Board, 4 sheets - Sheet 3
Page 7-16 (Sheet 3 of 4)
Schematic CGP Board, 4 sheets - Sheet 4
Page 7-17 (Sheet 4 of 4)

Assembly CGP Board, 2 sheets

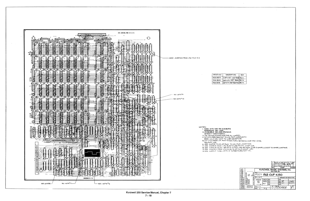
Assembly CGP Board, 2 sheets - Sheet 1
Page 7-18 (Sheet 1 of 2)
Assembly CGP Board, 2 sheets - Sheet 2
Page 7-19 (Sheet 2 of 2)

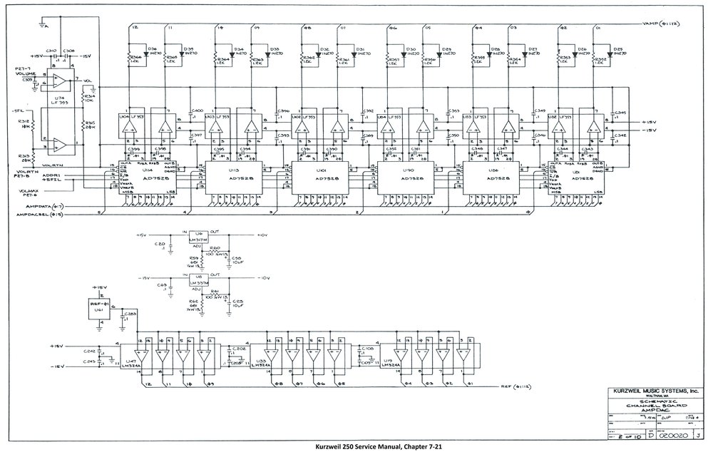
Schematic Channel Board, 10 sheets

Schematic Channel Board, 10 sheets - Sheet 1
Page 7-20 (Sheet 1 of 10)
Schematic Channel Board, 10 sheets - Sheet 2
Page 7-21 (Sheet 2 of 10)
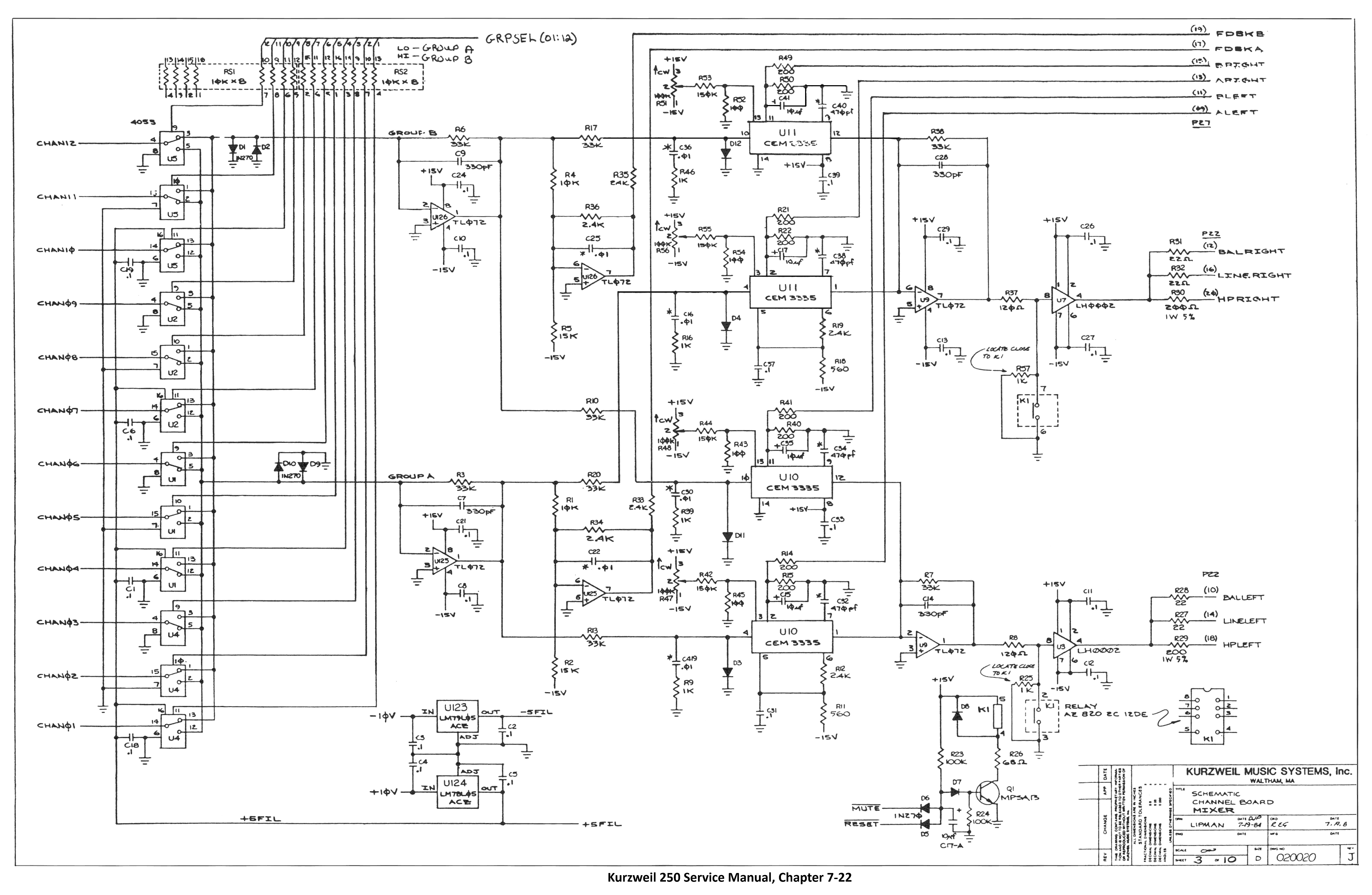
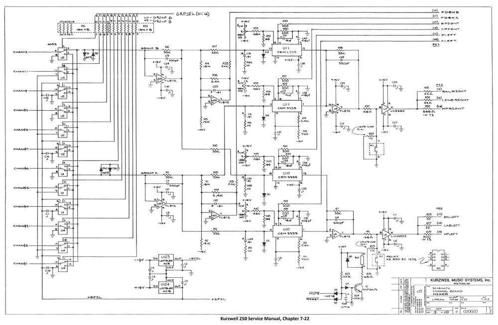
Schematic Channel Board, 10 sheets - Sheet 3
Page 7-22 (Sheet 3 of 10)
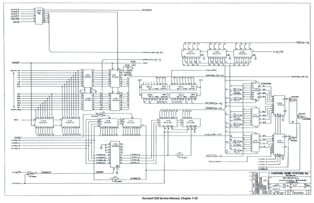
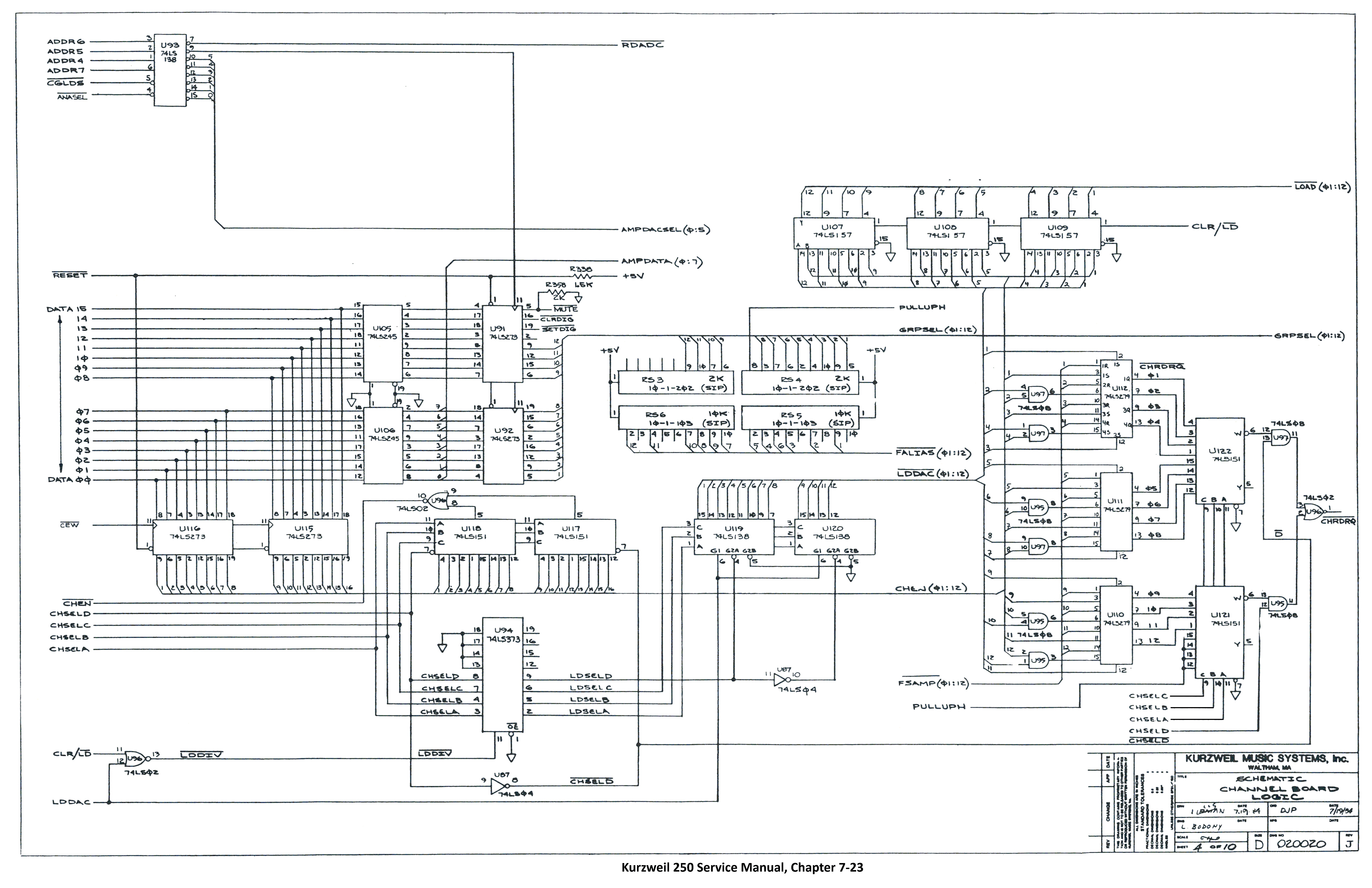
Schematic Channel Board, 10 sheets - Sheet 4
Page 7-23 (Sheet 4 of 10)
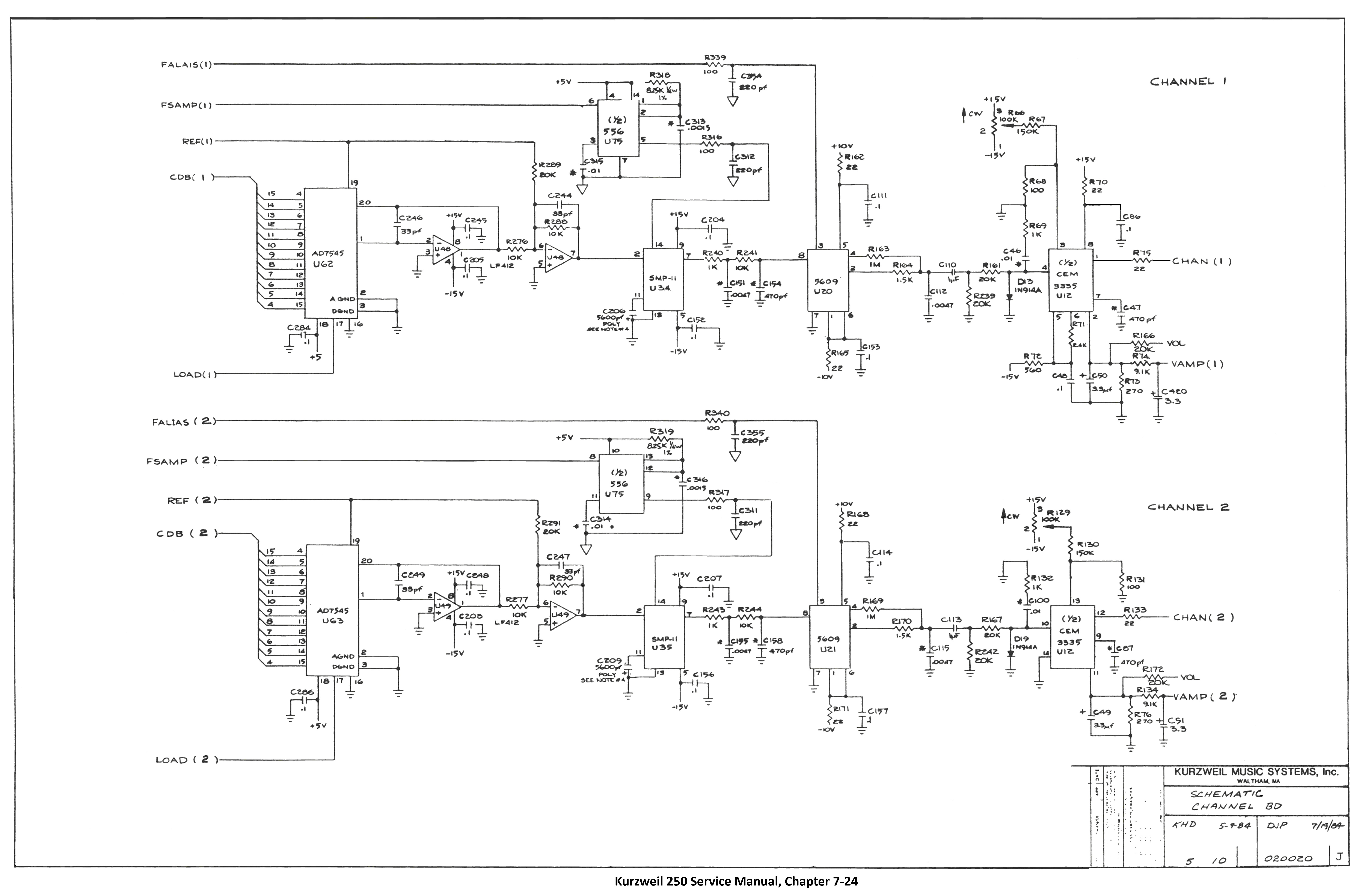
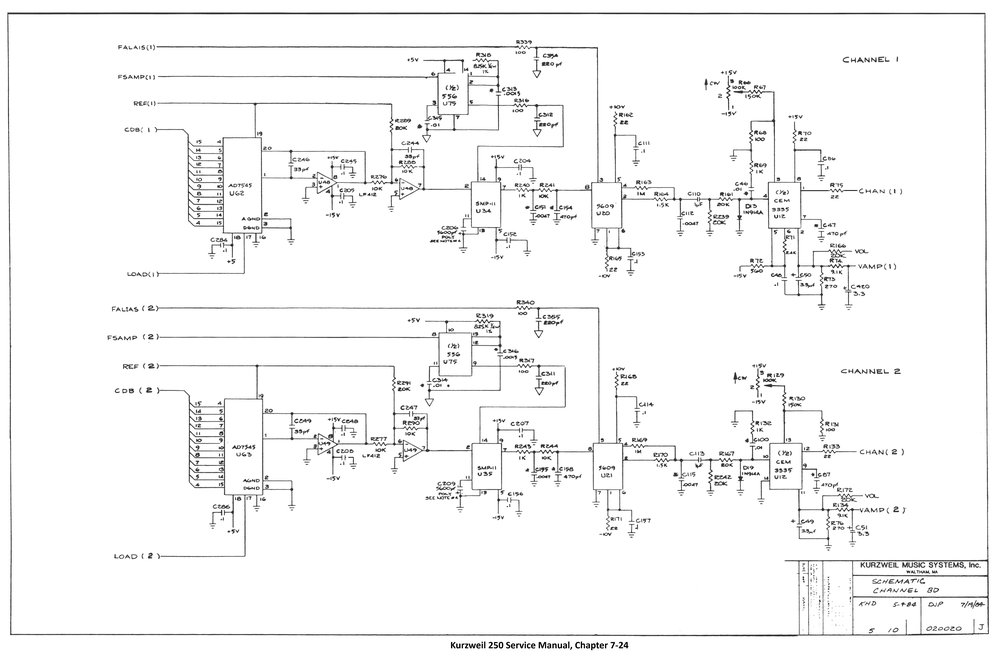
Schematic Channel Board, 10 sheets - Sheet 5
Page 7-24 (Sheet 5 of 10)
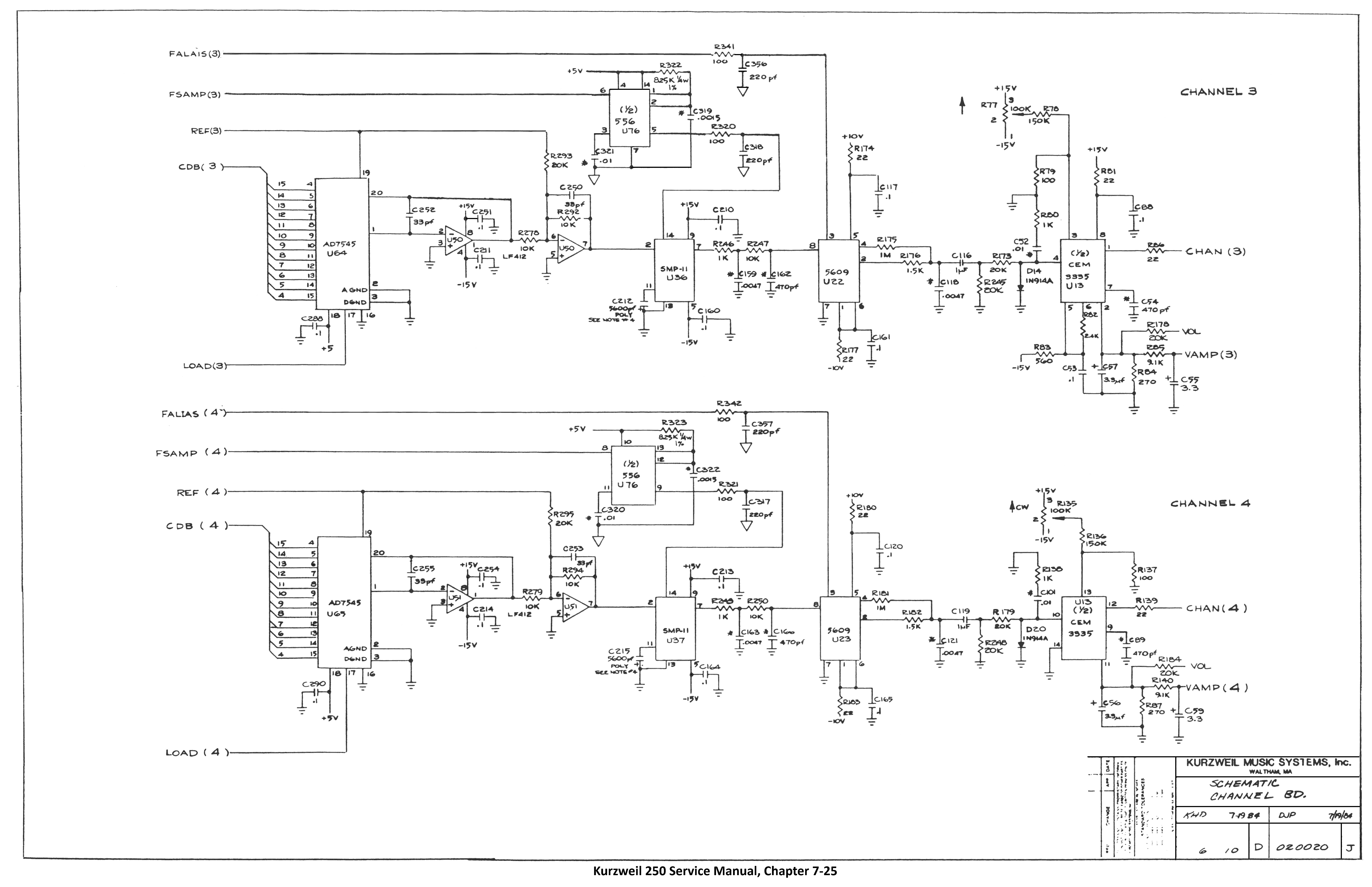
Schematic Channel Board, 10 sheets - Sheet 6
Page 7-25 (Sheet 6 of 10)
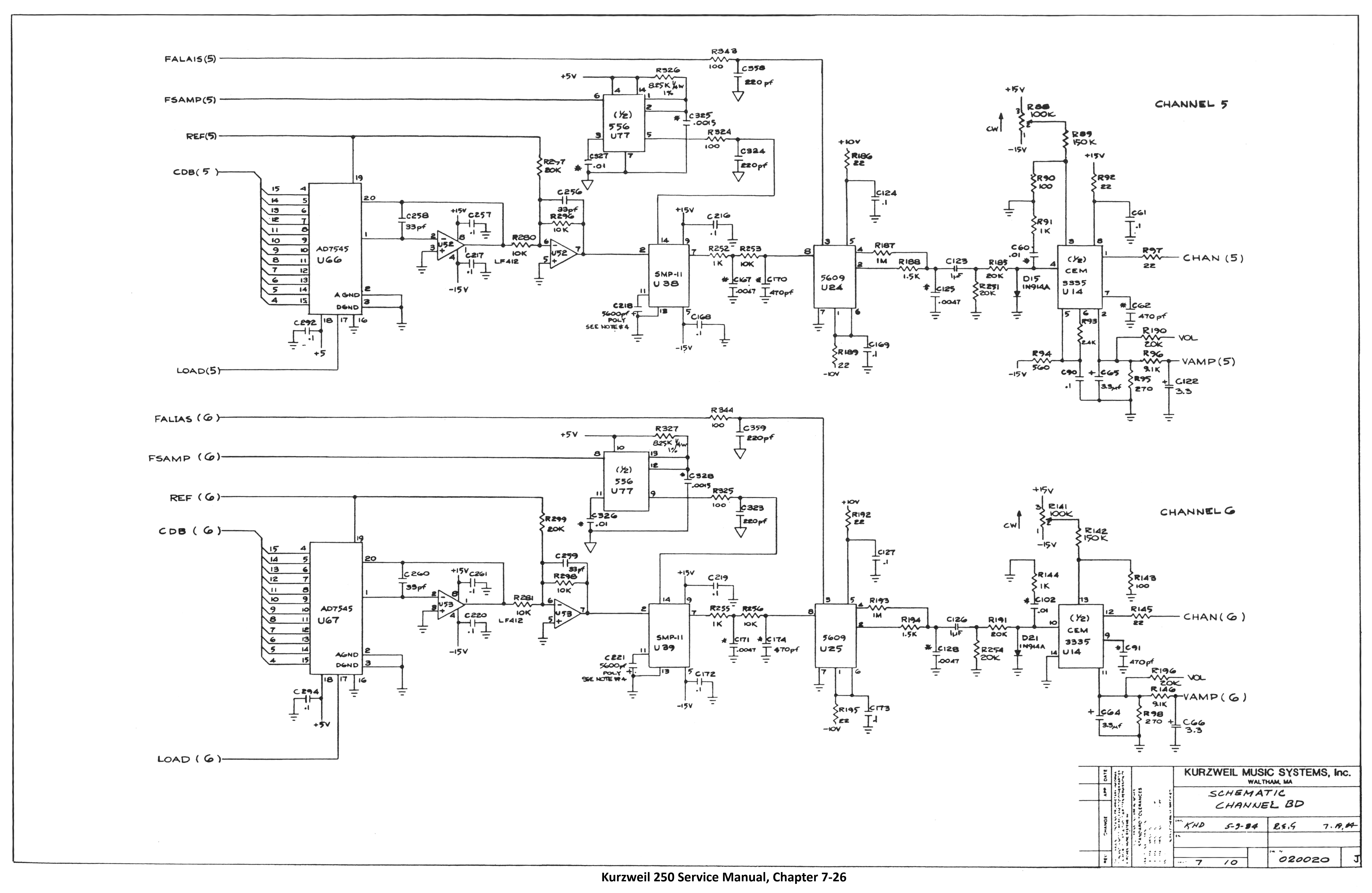
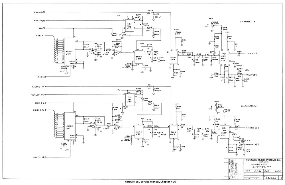
Schematic Channel Board, 10 sheets - Sheet 7
Page 7-26 (Sheet 7 of 10)
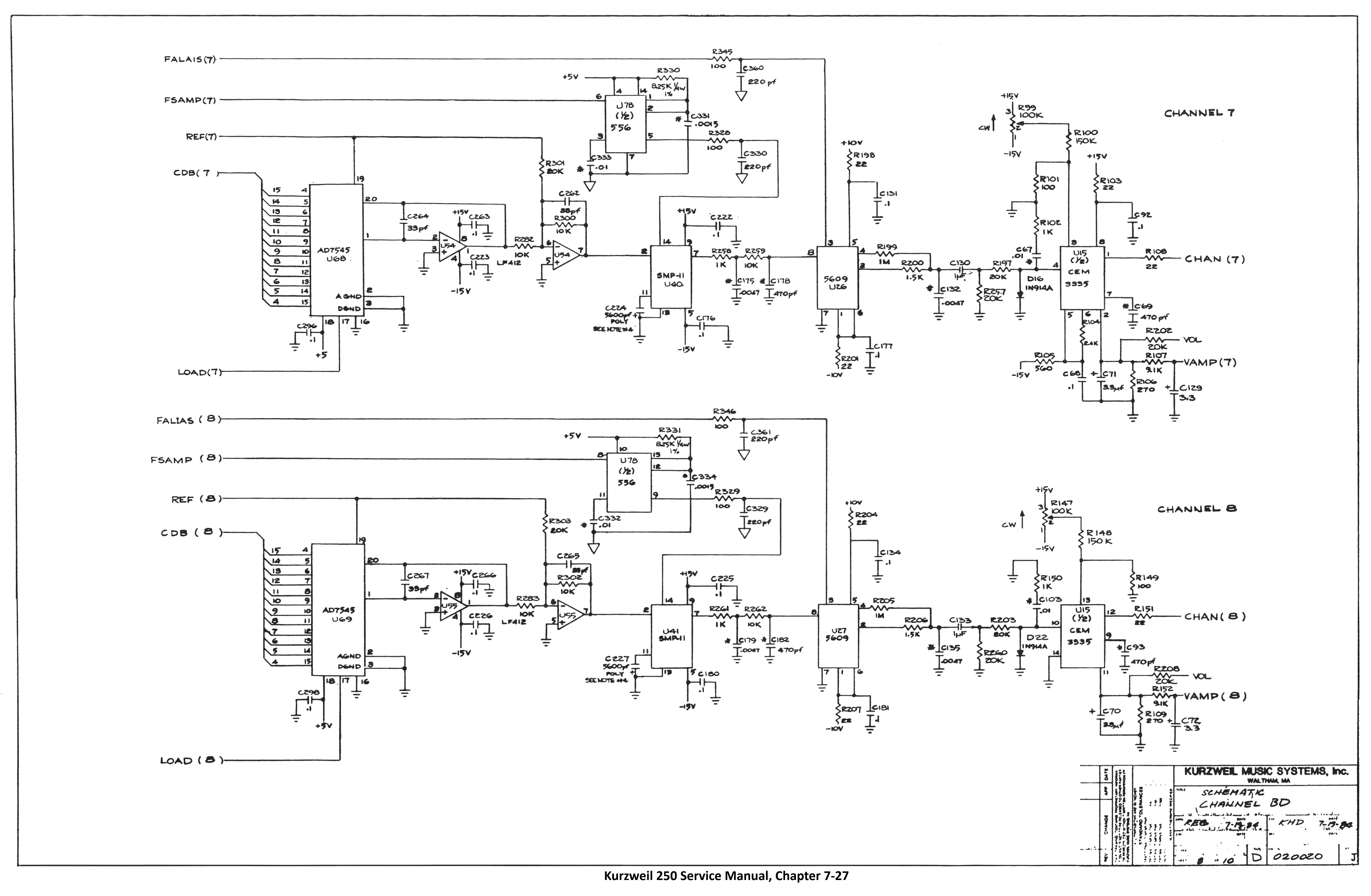
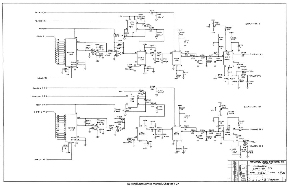
Schematic Channel Board, 10 sheets - Sheet 8
Page 7-27 (Sheet 8 of 10)
Schematic Channel Board, 10 sheets - Sheet 9
Page 7-28 (Sheet 9 of 10)
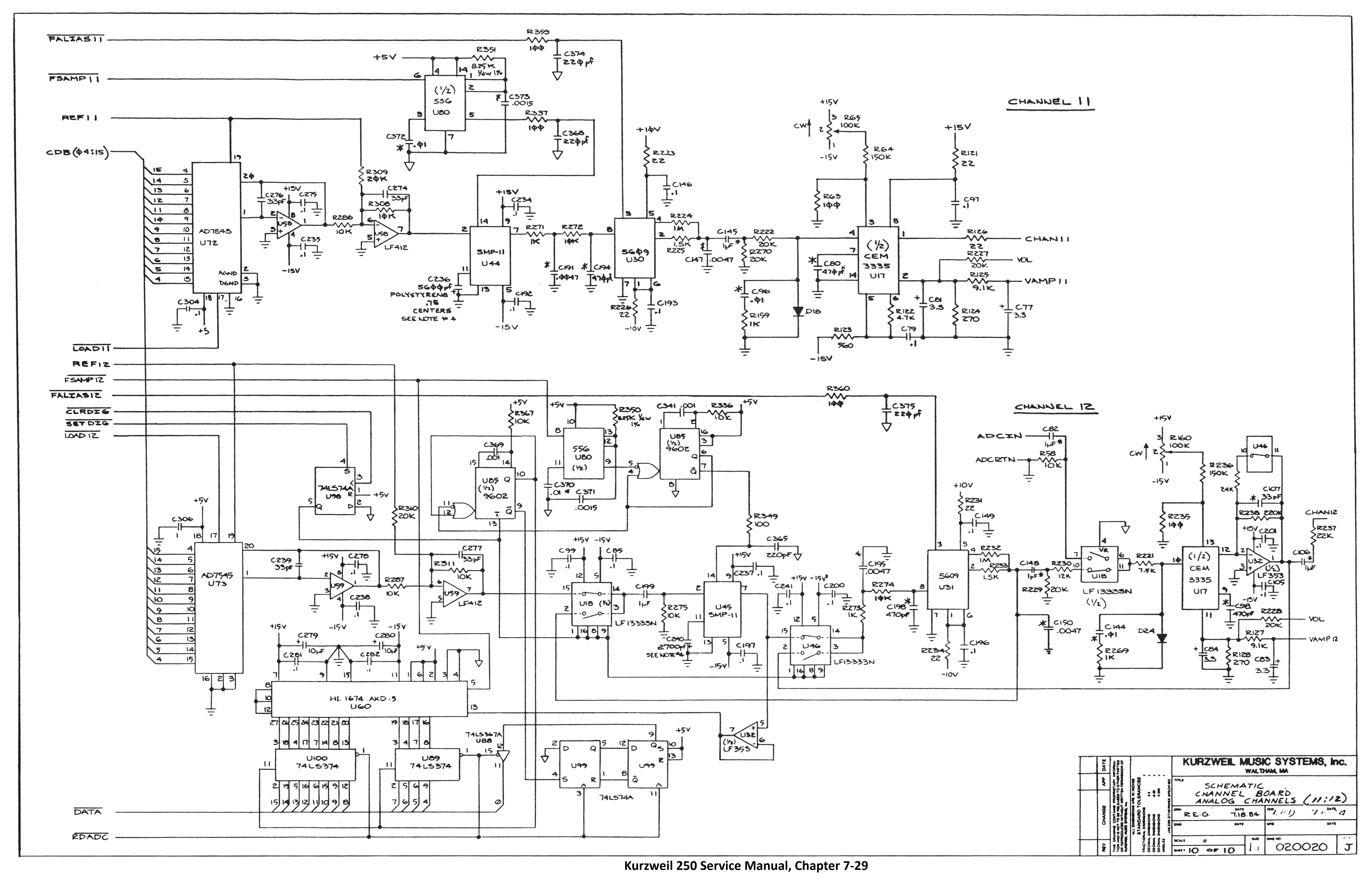
Schematic Channel Board, 10 sheets - Sheet 10
Page 7-29 (Sheet 10 of 10)

Assembly Channel Board, 2 sheets

Assembly Channel Board, 2 sheets - Sheet 1
Page 7-30 (Sheet 1 of 2)
Assembly Channel Board, 2 sheets - Sheet 2
Page 7-31 (Sheet 2 of 2)

Schematic Front Panel Board, 2 sheets

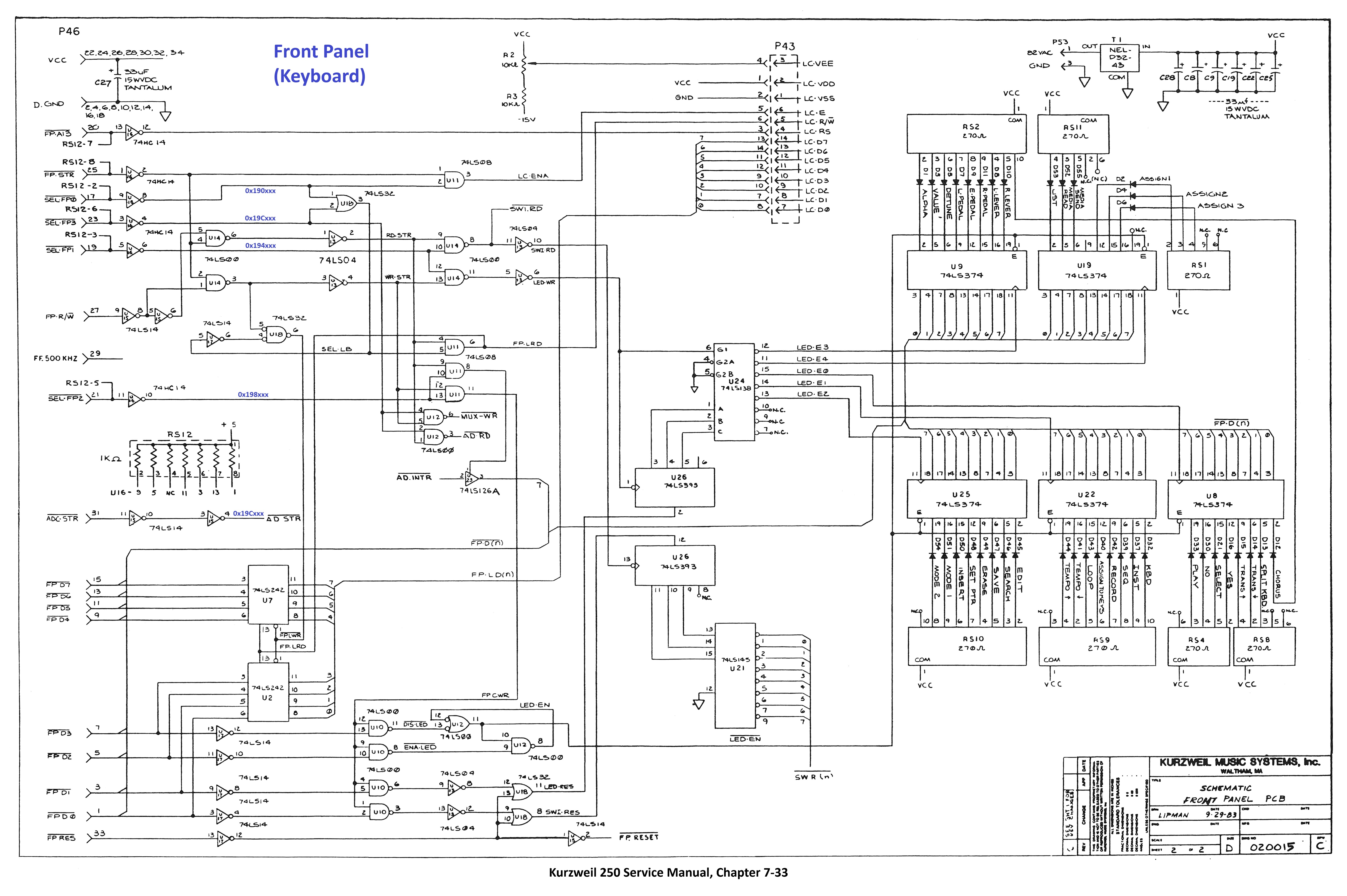
Schematic Front Panel Board, 2 sheets - Sheet 2
Page 7-33 (Sheet 2 of 2)

Assembly Control Panel Board

Assembly Control Panel Board - Sheet 1
Page 7-34

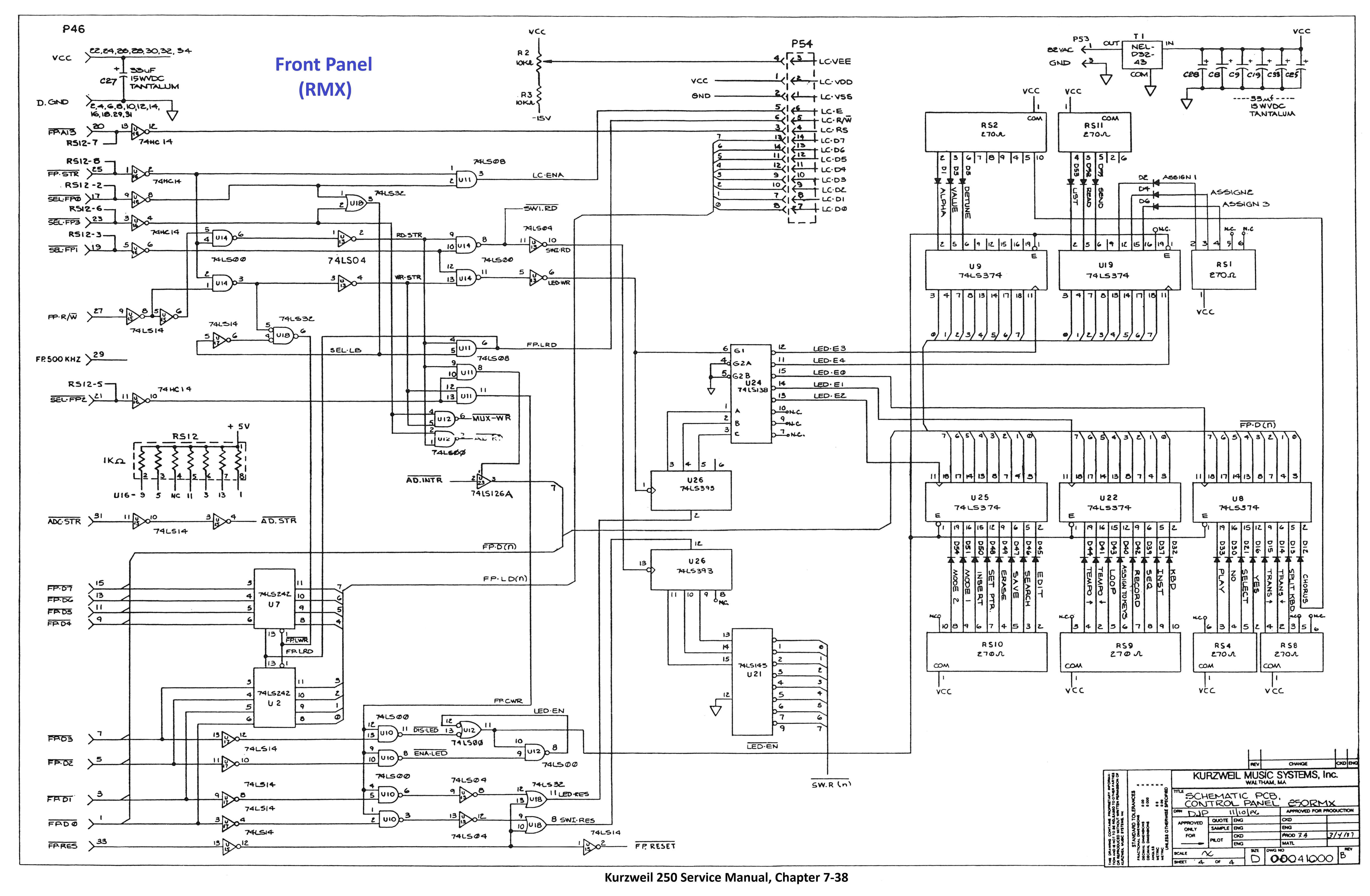
Schematic Control Panel Board (RMX), 4 sheets

Schematic Control Panel Board (RMX), 4 sheets - Sheet 1
Page 7-35 (Sheet 1 of 4)
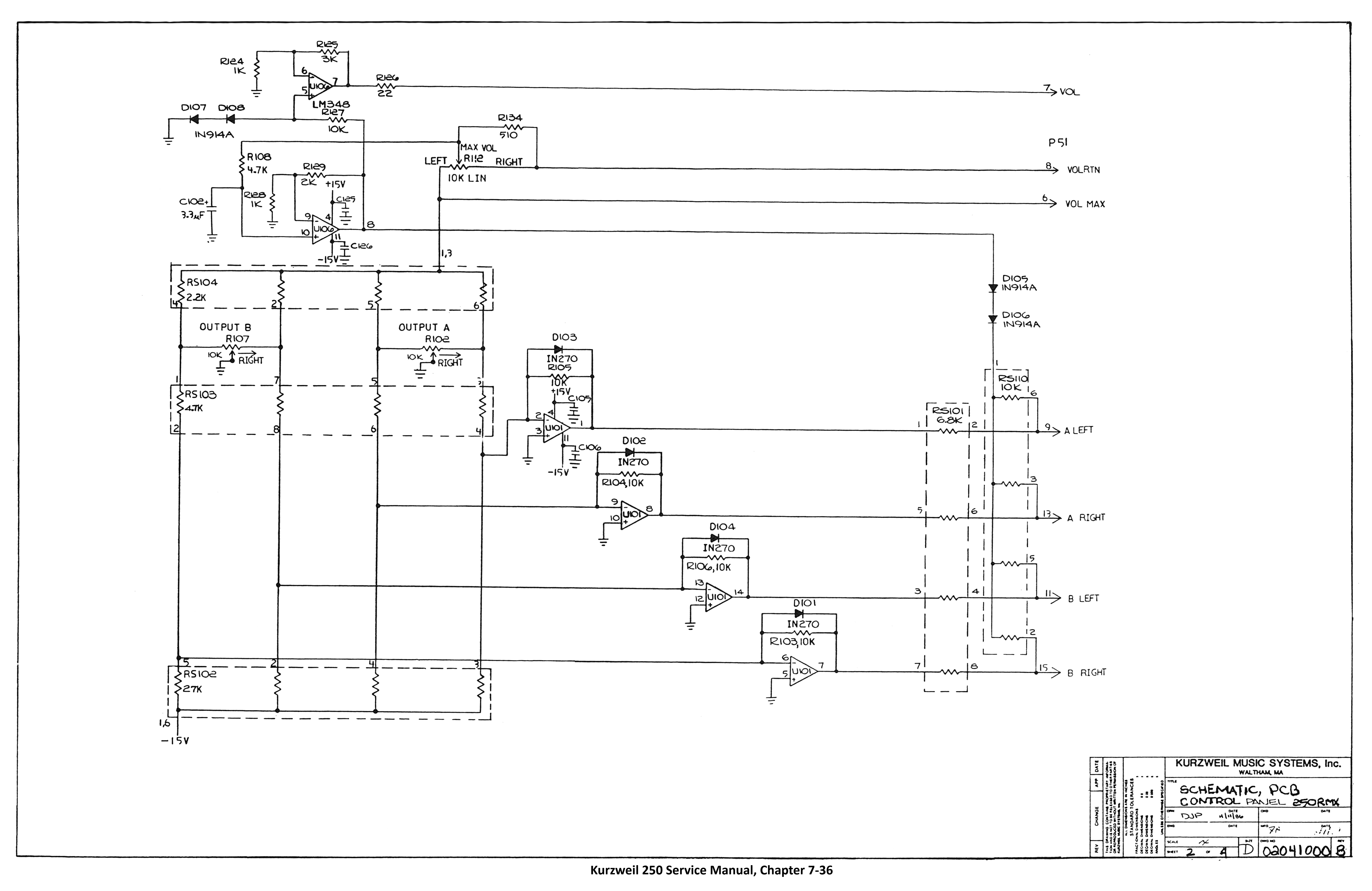
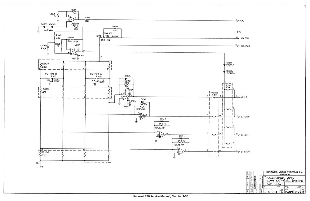
Schematic Control Panel Board (RMX), 4 sheets - Sheet 2
Page 7-36 (Sheet 2 of 4)
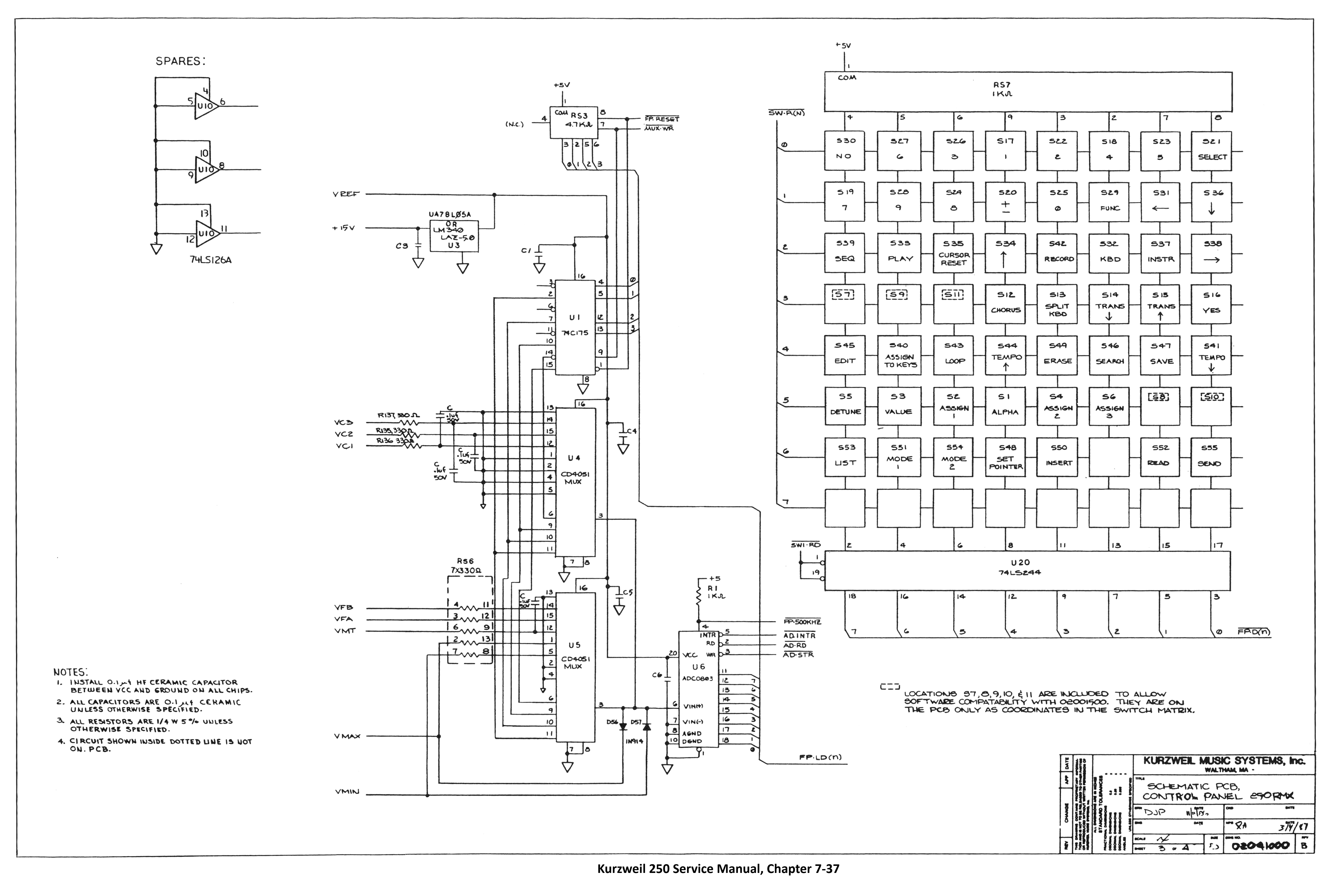
Schematic Control Panel Board (RMX), 4 sheets - Sheet 3
Page 7-37 (Sheet 3 of 4)
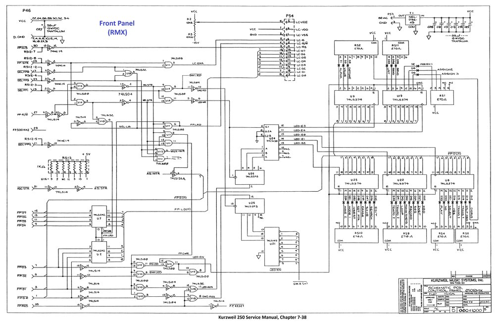
Schematic Control Panel Board (RMX), 4 sheets - Sheet 4
Page 7-38 (Sheet 4 of 4)

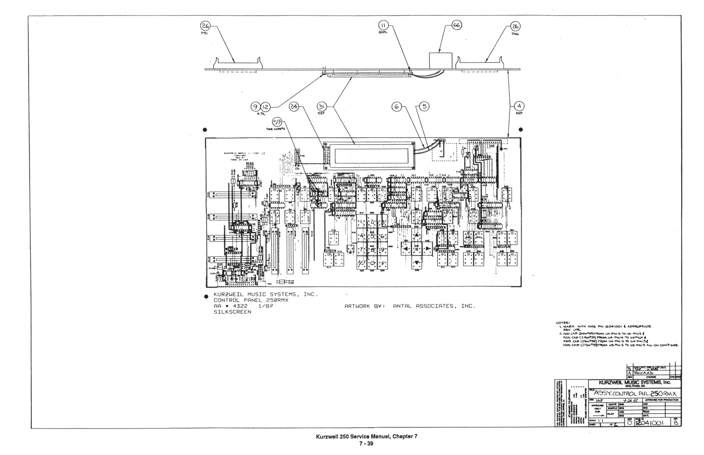
Assembly Control Panel Board (RMX), 2 sheets

Assembly Control Panel Board (RMX), 2 sheets - Sheet 1
Page 7-39 (Sheet 1 of 2)
Assembly Control Panel Board (RMX), 2 sheets - Sheet 2
Page 7-40 (Sheet 2 of 2)

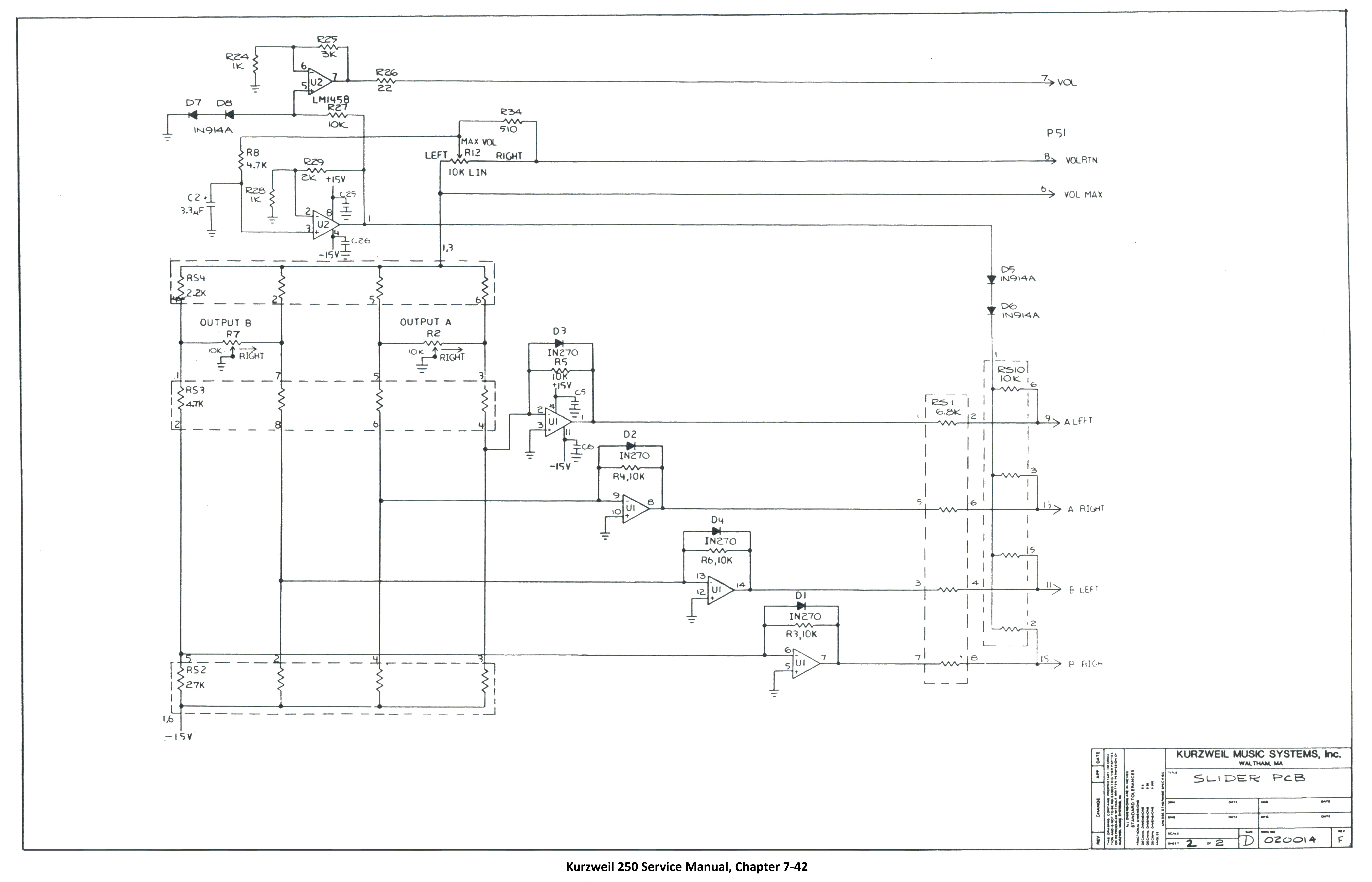
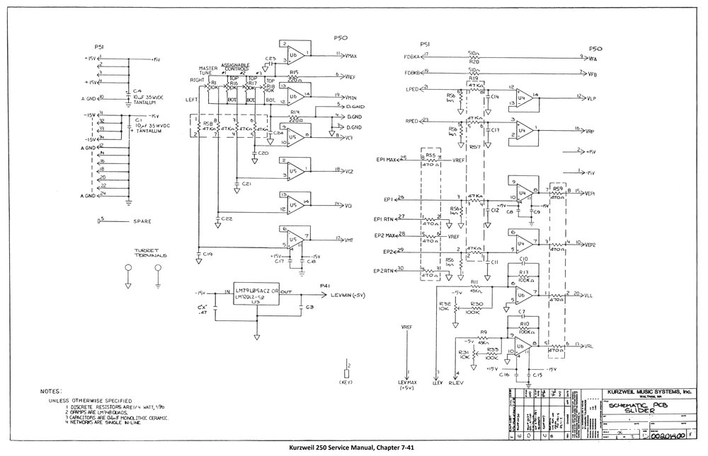
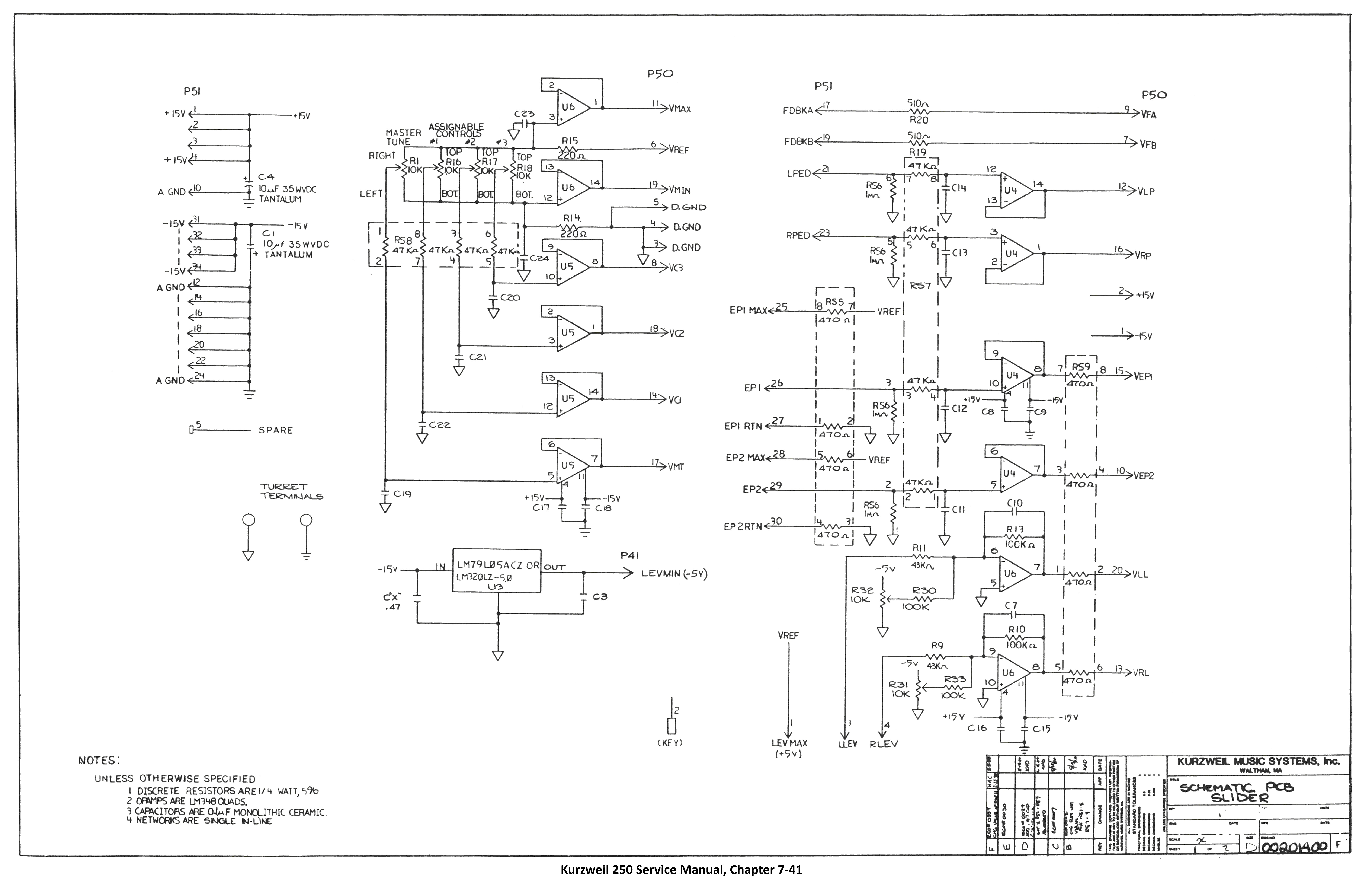
Schematic Slider Board, 2 sheets

Schematic Slider Board, 2 sheets - Sheet 1
Page 7-41 (Sheet 1 of 2)
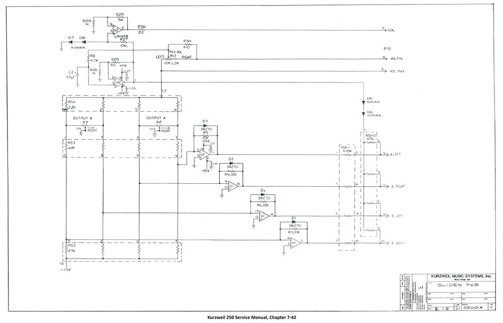
Schematic Slider Board, 2 sheets - Sheet 2
Page 7-42 (Sheet 2 of 2)

Assembly Slider Board

Assembly Slider Board - Sheet 1
Page 7-43

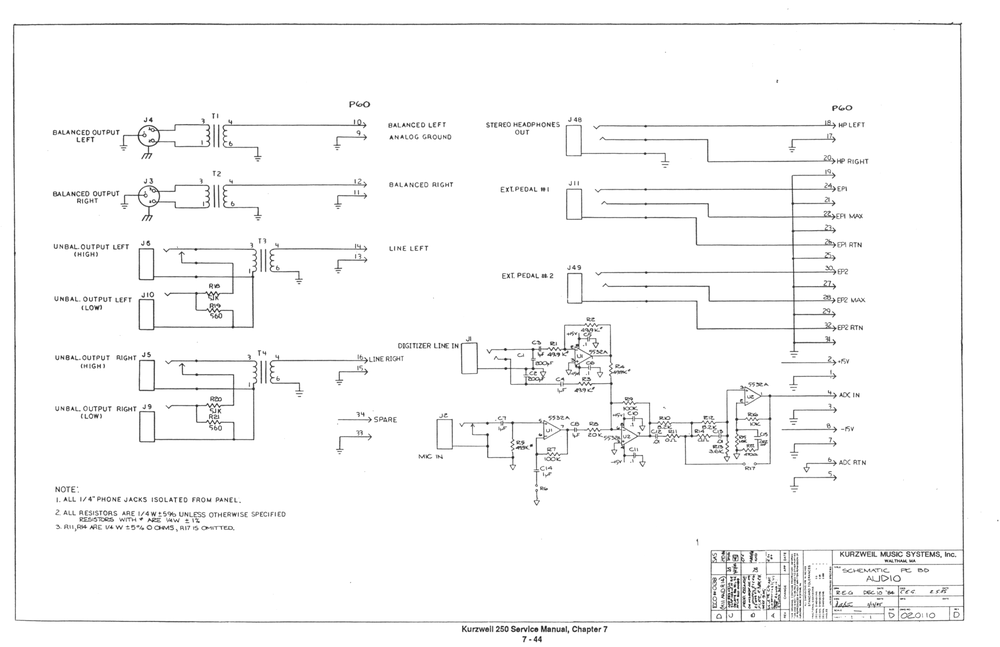
Schematic Audio Board

Schematic Audio Board - Sheet 1
Page 7-44

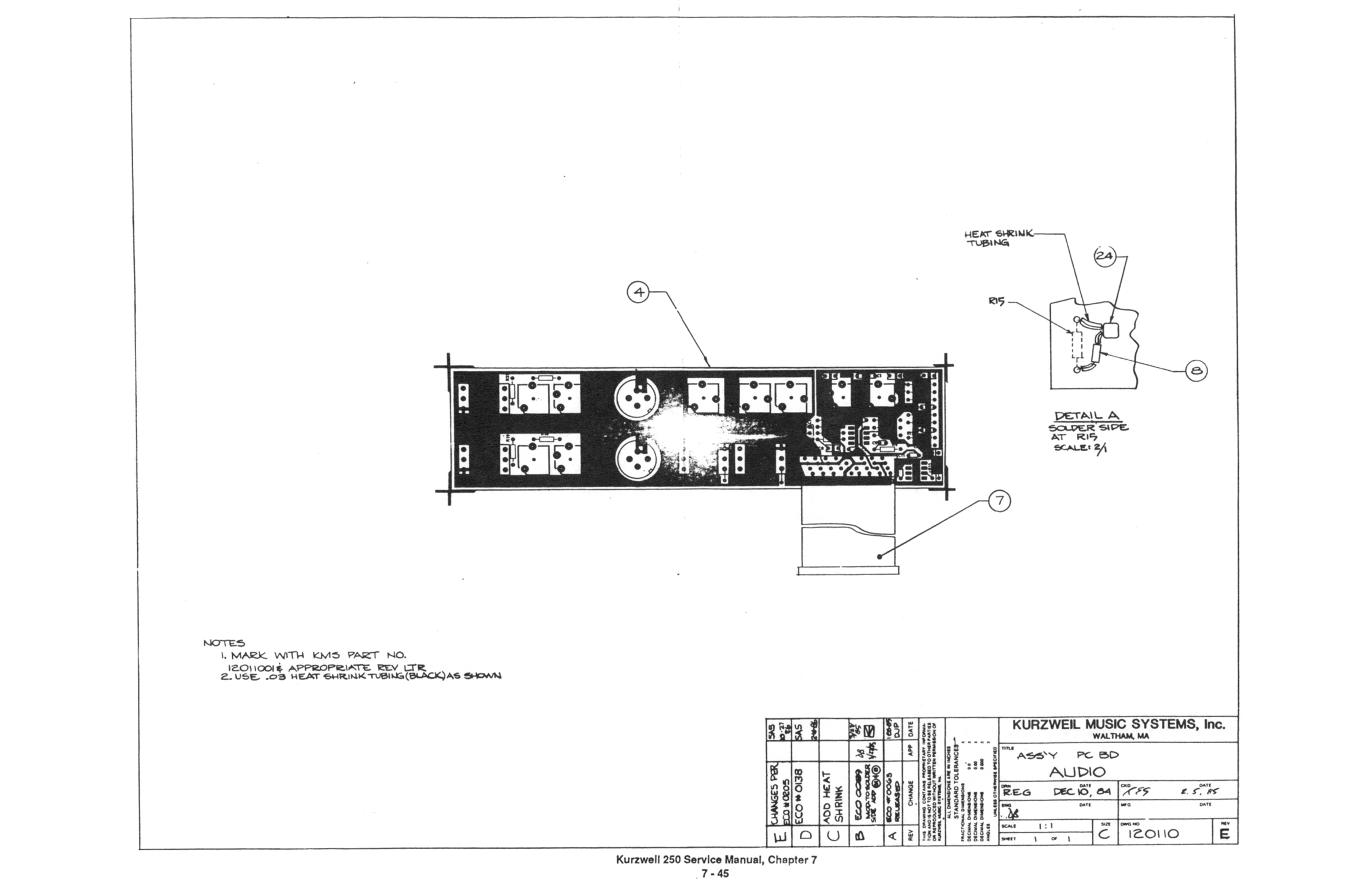
Assembly Audio Board

Assembly Audio Board - Sheet 1
Page 7-45

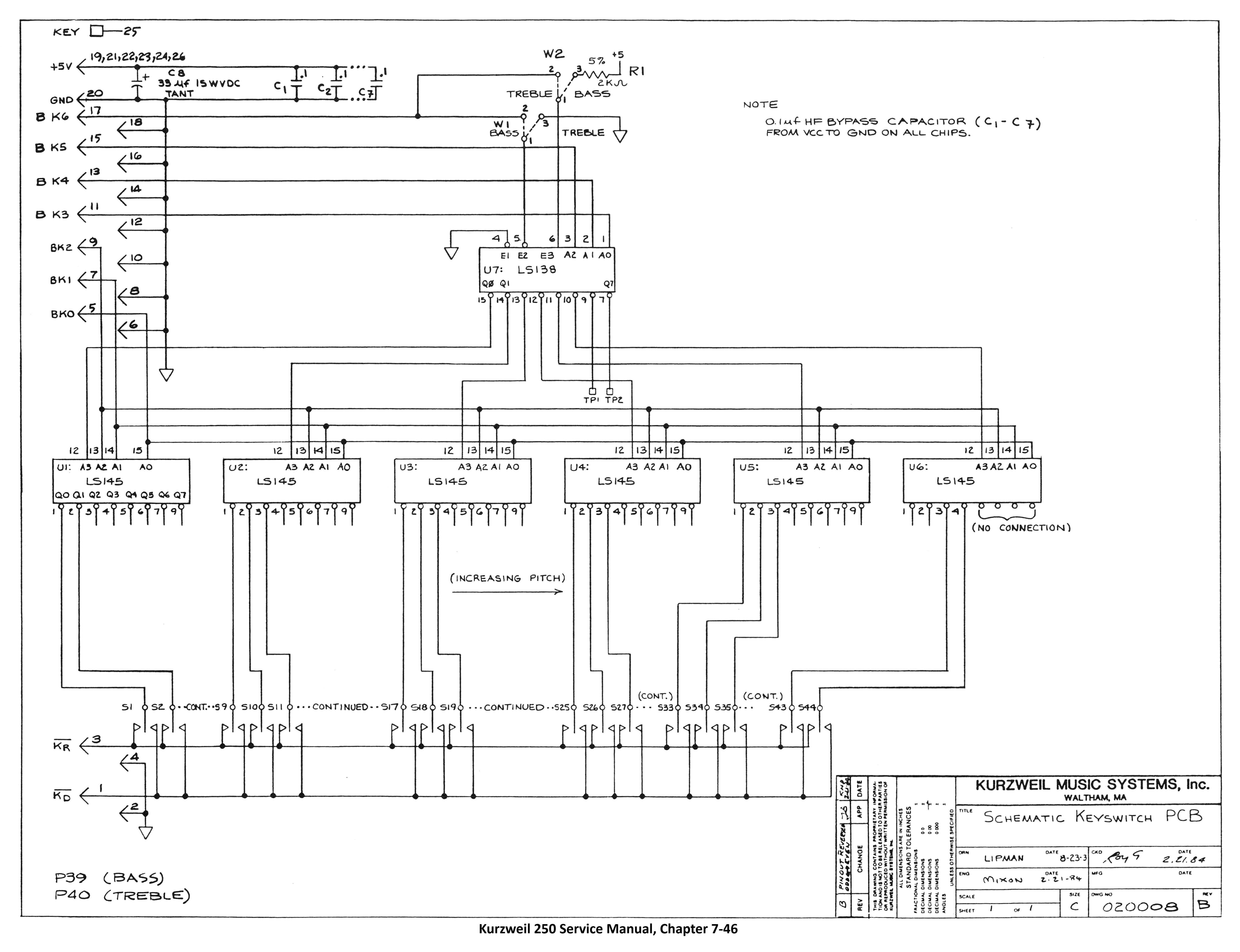
Schematic Keyswitch Board

Schematic Keyswitch Board - Sheet 1
Page 7-46

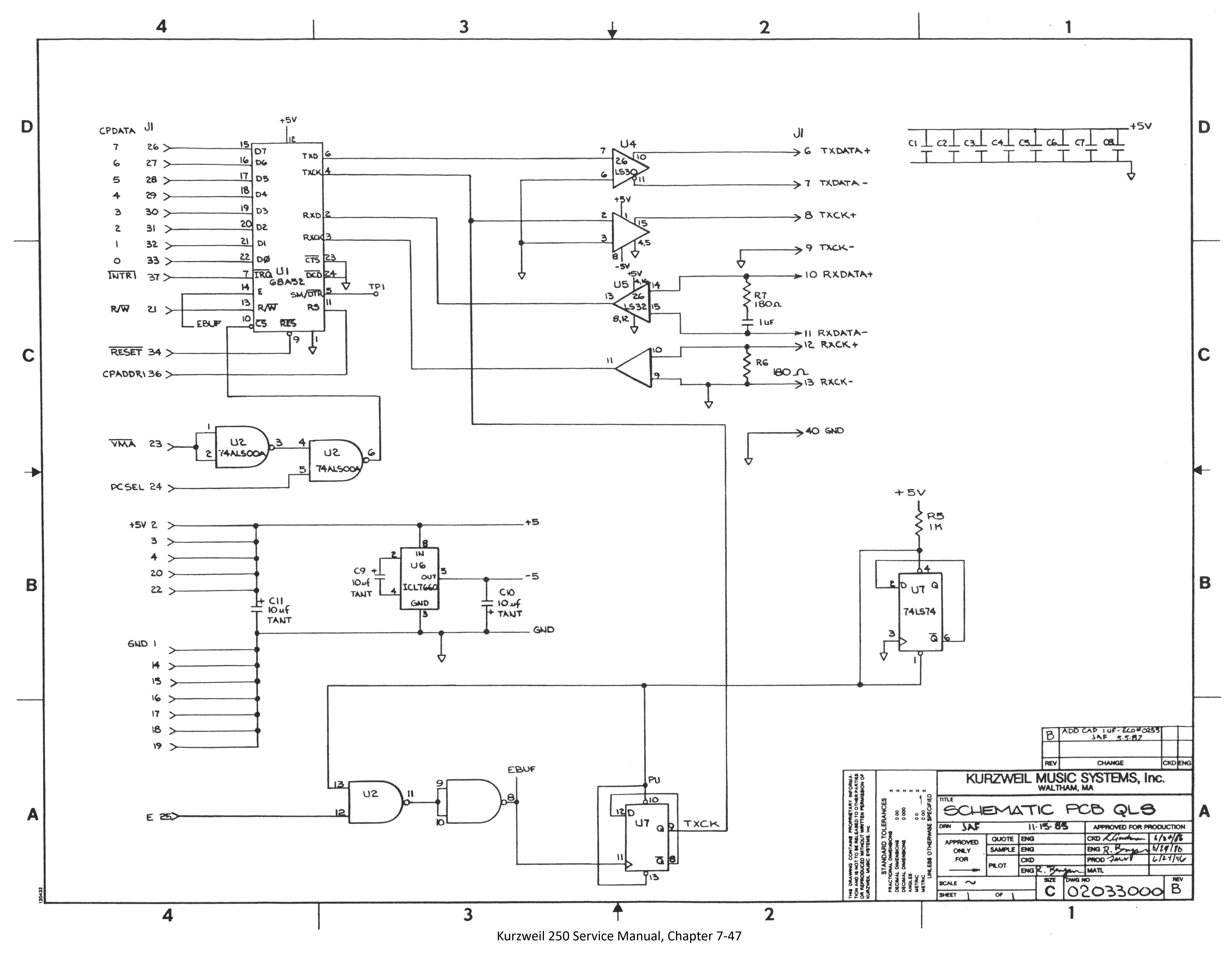
Schematic QLS Board

Schematic QLS Board - Sheet 1
Page 7-47

Assembly QLS Board

Assembly QLS Board - Sheet 1
Page 7-48

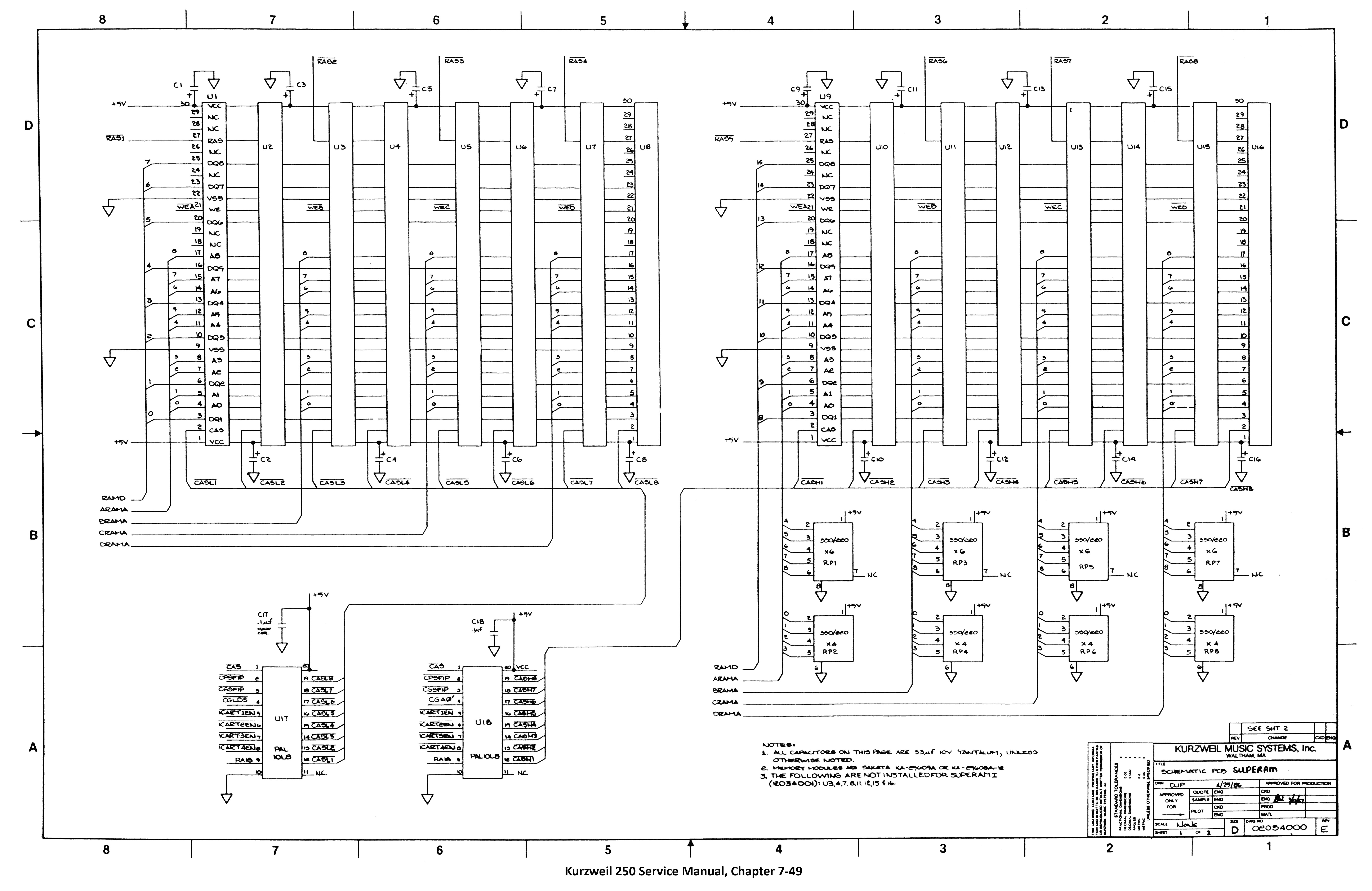
Schematic Superam Board, 2 sheets

Schematic Superam Board, 2 sheets - Sheet 1
Page 7-49 (Sheet 1 of 2)
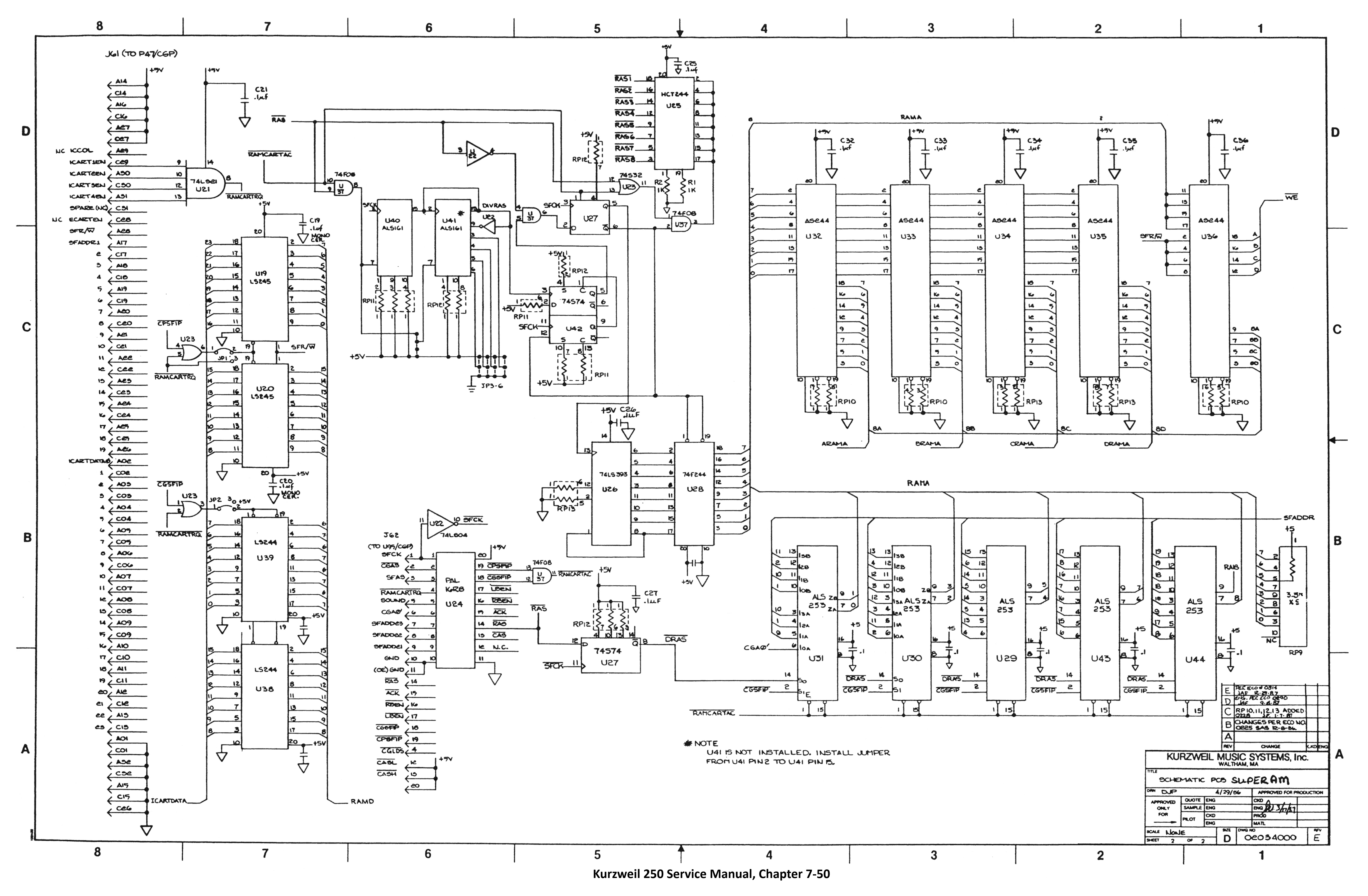
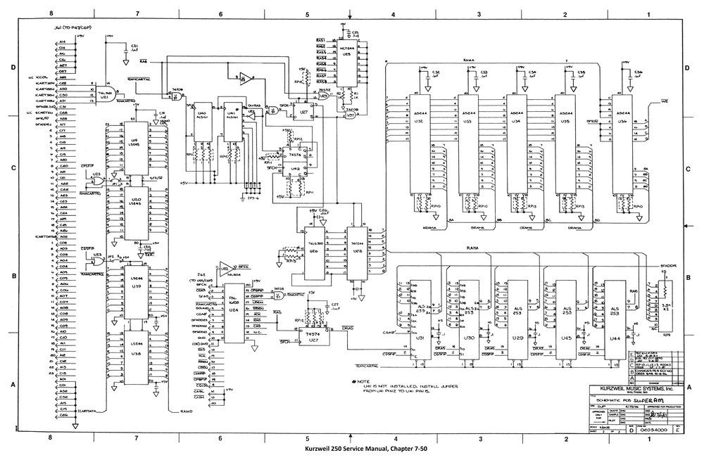
Schematic Superam Board, 2 sheets - Sheet 2
Page 7-50 (Sheet 2 of 2)

Schematic Daughter Board (Sound Block Bd)

Schematic Daughter Board (Sound Block Bd) - Sheet 1
Page 7-51

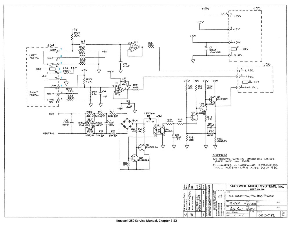
Schematic POD Board (old-style)

Schematic POD Board (old-style) - Sheet 1
Page 7-52

Assembly POD Board (old-style)

Assembly POD Board (old-style) - Sheet 1
Page 7-53

Interconnection Diagram POD (current model)

Assembly POD Board (old-style) - Sheet 1
Page 7-54

Interconnection Diagram POD (old-style)

Assembly POD Board (old-style) - Sheet 1
Page 7-55
Page 7-1